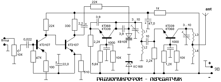
Передатчик-радиомикрофон

www.radio-portal.ru__rm16Может использоватся для подключения к различной звуковой аппаратуре и для передачи с микрофона. Uпит-9В(с плюсом на корпусе)
Катушки беcкаркасные намотаны на оправке 5мм,проводом 0,6мм и содержат:
L1-6 витков
L2-4 витка
L3-2 витка
L4-7 витков
Дальность зависит от антенны и составляет 150 метров

Обсудить эту статью на форуме (0 ответов).
Вся информация, предоставленная на данном ресурсе разрешена к ознакомлению детям школьного возраста. Все практическое использование может быть связана с повышенной электрической опасностью и разрешено детям только под присмотром взрослых.