Радиомикрофон из "Кроны"

www.radio-portal.ru__rm06Номиналы деталей некритичны и могут отличаться в ту или иную сторону в полтора раза.Радиус действия 300м. Чувствительность по НЧ позволяет прослушивать громкий разговор в комнате. Если же тракт НЧ дополнить еще одним каскадом усиления, то становится слышим даже тихий шепот... Правда, от громкой речи схема тогда перегружается и бы надо еще ставить АРУ.
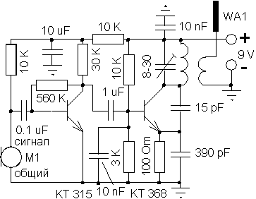
Если же вам требуется передатчик - радиомикрофон (когда вы планируете непосредственно бубнить прямо в микрофонный капсюль), то каскад усиления НЧ вообще не нужен. Микрофон - телефонный электретный капсюль (применяется также в магнитофонах). На задней плате есть два контакта, один из них соединен с корпусом микрофона. Это минусовой вывод - общий. На второй контакт подается питание через резистор 5...20 кОм. Если усиление слишком велико, в цепь эммитера первого транзистора включите сопротивление 100 Ом...10 кОм. Резистор в цепи эммитера второго транзистора определяет рабочий ток генератора ВЧ. Не уменьшайте его значение ниже 50 Ом - транзистор будет перегружен. Увеличение сопротивления повышает стабильность генератора и срок службы батареи, но приводит к снижению выходной мощности. Диаметр намотки контурной катушки - 5 мм, провод 0.5 мм. Число витков катушки для диапазона FM 5-6. Грубо рабочую частоту устанавливают подстроечным конденсатором контура, а точно - растяжением/сжатием витков катушки. Подстроечный конденсатор желательно заменить постоянным нужной емкости. Катушка связи расположена рядом с "горячей" стороной контурной катушки на расстоянии 2 мм и содержит 4 витка того же провода. Сближение катушек (вплоть до намотки катушки связи поверх контурной) и увеличение кол-ва витков катушки связи увеличивает полезную мощность в антенне, но снижает стабильность частоты из-за влияния емкости антенны на настройку контура (т.к. каскад усиления мощности отсутствует). Поэтому ограничьтесь максимально возможной глубиной связи, при которой влияние расположения антенны в пространстве и касание ее руками не приводит к заметному уходу частоты передатчика.
Пример конструкции радиомикрофона.
Этот радиомикрофон рассчитан на питание от батареи типа КРОНА и смонтирован на колодке от старой батареи. С обратной стороны колодки впаиваются два штыря из луженой проволоки диаметром около 1 мм, и на них навесным способом распаивают детали. На выводах деталей пинцетом сгибают кольца и одевают на штыри. Такой монтаж обладает повышенной надежностью. После регулировки схемы штыри обрезают на нужную длину и припаивают верхнюю пластину, которую можно сделать из обрезка старой печатной платы. На ней распаивают также вывод антенны. По завершении монтажа можно залить все эпоксидным компаундом и поместить радиомикрофон в металлический кожух (тоже берется от старой батареи). Напротив микрофона сверлят отверстие 2-3 мм. Следует учесть, что заливка компаундом и наличие экрана могут повлиять на частоту настройки передатчика, так как диэлектрическая проводимость компаунда больше чем воздуха, и собственная емкость катушки увеличится (снижение частоты). Немагнитный экран приводит к некоторому увеличению частоты настройки. Для уменьшения влияния экрана располагайте катушку контура дальше от его стенок.

Обсудить эту статью на форуме (0 ответов).
Вся информация, предоставленная на данном ресурсе разрешена к ознакомлению детям школьного возраста. Все практическое использование может быть связана с повышенной электрической опасностью и разрешено детям только под присмотром взрослых.