Для наиболее эффективного и рационального использования емкости батарей, для увеличения времени работы передатчика без замены элементов питания, рекомендуется использование активных (включающихся по акустическому сигналу) закладок, потребляющих незначительный ток в режиме ожидания.
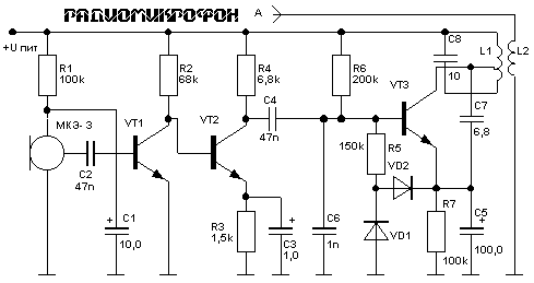
Преобразованный звуковой сигнал с микрофона поступает на двухкаскадный усилитель звуковой частоты VT1, VT2, коэффициент усиления которого задается резистором R3, и далее подается на вход генератора VT3. Генератор ВЧ выполнен по схеме индуктивной трехточки. Контур L1C8 настроен на частоту 140 МГц. Последовательная обратная связь осуществляется конденсатором С7. Режим по постоянному току задает резистор R6.Цепочка VD1, VD2, C5 детектирует звуковой сигнал и служит для управления питанием VT3.
При помощи резисторов R3, R6 выбирают такое напряжение смещения, чтобы транзистор VT3 в отсутствие звукового сигнала находился в отсечке.
Транзисторы VT1, VT2 должны иметь коэффициент усиления не меньше 150, диоды VD1, VD2-германиевые, типа Д9. Катушка L1 содержит 4+1 виток провода диаметром 0,68 мм, намотанных на оправке диаметром 4 мм. Катушка L2 намотана поверх L1 проводом 0,25 мм и содержит 3 витка. VT1, VT2 - KT3102B VT3 - KT368A VD1, VD2 - КД521.
Управляемый радиомикрофон на 120-140 Мгц
Doc
Просмотров: 3757