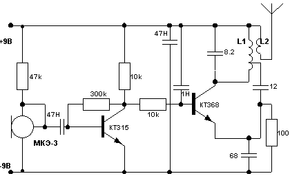
Отличительной особенностью схемы, представленной на рисунке является то, что усиленный сигнал 3Ч с коллектора транзистора VT1 поступает на вход генератора РЧ VT2 без разделительной емкости, ввиду чего рабочая точка генератора по постоянному току определяется рабочей точкой VT1, то есть резистором R2.
Основной задачей при настройке устройства является выбор оптимального соотношения между током потребления генератора и коэффициентом искажений в тракте 3Ч.
В качестве транзистора VT2 желательно применить высокочастотный типа КТ368, КТ325.Для частоты 175 мГц величина емкости С4 составляет 6,8 пф, L1 - 5 витков медного посеребренного провода диаметром 0,56 мм с отводом от третьего витка. Диаметр намотки - 5мм. Катушка связи L2 - 2 витка провода ПЭВ - 0,25 поверх L1.
В целях уменьшения габаритов, в данном устройстве применена резонансная антенна. Чтобы сделать такую антенну, надо взять длинную пластмассовую трубочку диаметром 3 мм и намотать на нее в ряд проводом ПЭЛ - 0,25 мм 65...70 витков. Затем подключают антенну к выходу генератора, и отматывая по одному витку, контролируют резонанс стрелочным индикатором поля.
Схема работает в широком диапазоне напряжений от 1,5 до 15 В, причем частота выходных колебаний, при использовании нерезонансной антенны изменяется в незначительных пределах. При токе потребления 10 мА, приемник чувствительностью 1 мкВ позволяет слушать радиомикрофон на расстоянии до 500 м.
Простой РМ на 115-175 мГц
Doc
Просмотров: 3173