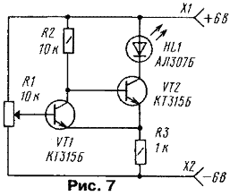
Триггер Шмитта

Как известно, это устройство используется обычно для преобразования медленно изменяющегося напряжения в сигнал прямоугольной формы.

Когда движок переменного резистора R1 находится в нижнем по схеме положении, транзистор VT1 закрыт. Напряжение на его коллекторе высокое. В результате транзистор VT2 оказывается открытым, а значит, светодиод HL1 зажжен. На резисторе R3 образуется падение напряжения.

Медленно перемещая движок переменного резистора вверх по схеме, удастся достичь момента, когда произойдет скачкообразное открывание транзистора VT1 и закрывание VT2. Это случится при превышении напряжения на базе VT1 падения напряжения на резисторе R3. Светодиод погаснет.

Если после этого перемещать движок вниз, триггер возвратится в первоначальное положение - вспыхнет светодиод. Это произойдет при напряжении на движке меньшем, чем напряжение выключения светодиода.

Обсудить эту статью на форуме (0 ответов).
Вся информация, предоставленная на данном ресурсе разрешена к ознакомлению детям школьного возраста. Все практическое использование может быть связана с повышенной электрической опасностью и разрешено детям только под присмотром взрослых.