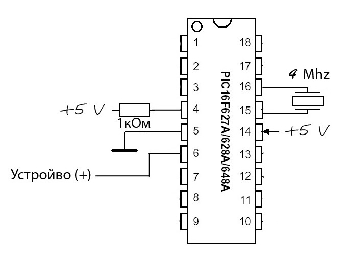
В этой тсатье я раскажу о однйо самоделки, начну с примеров. Допустим вам нужно что что бы после включения тогоже компьютера через определённое время включалось какоето утройство. Конешно можно найти схему и попробе ... Но тут мы будет собирать именно на PIC 16F628A. Интвервал работы неограничен. Всё зависит как хорошо вы знаете язык прорамирования. Схема проста как жизнь. Прошиву кину сюда в прошиве забито 18 секунд. Тоесть вы подаёте питание ан микруху и через 18 секунд будет работать ваше устройство.