
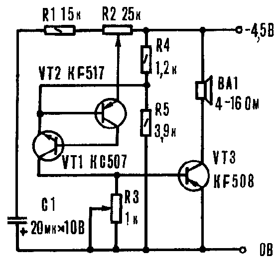
В чехословацком журнале "Аматерске радио" опубликована схема простого метронома. Он применяется в музыкальных школах, на занятиях ритмической гимнастикой, при проведении различных опытов. Основу прибора составляет аналог однопереходного транзистора, образованного комплементарной парой маломощных триодов VT1, VT2 (см. схему). Более мощный транзистор VT3 усиливает короткие импульсы, возникающие на коллекторе VT1. Частота импульсов регулируется переменным резистором R2, а громкость - R3. В метрономе вместо указанных на схеме допустимо использовать отечественные транзисторы: VT1 - КТ315, КТ312; VT2 - КТ361, КТ3107; VT3 - КТ502, КТ814 с любыми буквенными индексами.