Электронные часы из деталей радиоконструктора

Для радиолюбителей, интересующихся цифровой техникой и желающих на практике познакомиться с большими интегральными микросхемами, некоторые промышленные предприятия страны выпускают наборы деталей для самостоятельной сборки электронных часов — например, «Электроника-1».
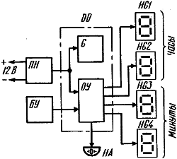
Функциональная схема электронных часов, которые можно собрать из такого радиоконструктора даже в домашних условиях, имея лишь паяльник и некоторый опыт монтажа, испытания и налаживания радиолюбительских конструкций средней сложности, показана на рис. 1.

 рис.1

Основой часов служит большая интегральная микросхема DD (обозначена штрих- пунктирными линиями), содержащая блок образцовой частоты кварцевого генератора G и оперативное устройство ОУ, к которой подключают цифровые индикаторы HG1 — HG4, блок управления часами БУ и акустический преобразователь НА. Преобразователь напряжения ПН обеспечивает питанием все цепи и узлы часов от одного общего источника постоянного тока напряжением 12 В. Блок кварцевого генератора по своему функциональному назначению аналогичен блокам образцовых частот любительских электронных часов, собираемых на микросхемах средней степени интеграции. А оперативное устройство, управляющее знакосинтезирующими индикаторами, обеспечивает работу в качестве секундомера и будильника.
В конструкторский набор «Электроника-1» входят:
многофункциональная микросхема КА1016ХЛ1 (или ЧБ-32), кварцевый резонатор РК-72ЧА-17БУ, звонок пьезокерамический типа ЗП-1, знаковые индикаторы ИВ-ЗА (или ИВ-6), печатная плата и другие необходимые детали и материалы. Обладателю набора надо только разобраться в назначении узлов и элементов часов, смонтировать детали на плате и по своему вкусу сделать корпус для них. Источником питания может служить аккумуляторная батарея напряжением 12 В (если часы предполагается установить в автомобиле) или выпрямитель с таким же выходным напряжением постоянного тока. Потребляемый ток от источника напряжением 12 В не превышает 200 мА. Точность хода часов не хуже +- 1 с в сутки.
Принципиальная схема часов Приведена на рис. 2.

Рис. 2
Рис. 2

Источником питания микросхемы DD1 служит стабилизатор напряжения на стабилитроне VD1 и транзисторе VT1. Стабилизированное напряжение 15 В подается на выводы 15 и 12 микросхемы. Общим цепи питания ее является вывод 12. Собственная частота кварцевого резонатора ZQ1, а значит, и генератора образцовой частоты, равна 32 768 Гц. Элементами делителя частоты, входящего в состав микросхемы, она делится до 1 Гц, что соответствует 1 с времени. Кнопочные выключатели SB1 — SB2 образуют блок управления оперативным устройством микросхемы, которое обеспечивает управление цифровыми индикаторами HG1 — HG4.
Знакосинтезирующий индикатор ИВ-ЗА представляет собой электронную лампу с катодом прямого накала (выводы 7, 8), восемью анодами с отдельными выводами (1—6, 10 и 11) и общей управляющей сеткой (вывод 9). Семь анодов выполнены в виде узких полосок, образующих стилизованную цифру 8, а восьмой — в виде точки. Аноды покрыты тонким слоем люминофора. При подаче положительного напряжения на сетку и элементы-аноды индикатора между катодом и анодами возникает поток электронов, вызывающих свечение люминофора.
В часах одноименные аноды-элементы цифровых знаков всех индикаторов соединены между собой и подключены к соответствующим выводам микросхемы. На них в определенные моменты времени с оперативного устройства подается закодированный сигнал, синтезирующий один из элементов цифр. Одновременно на сетки индикаторов подается управляющий сигнал. В результате одновременного воздействия сигналов кода и управляющего на индикаторах высвечиваются цифры от 0 до 9. Индикаторы HG1 и HG2 высвечивают часы, a HG3 и HQ4 — минуты текущего времени. Знак точки во втором индикаторе, отделяющий значения часов от минут, горит постоянно. Аналогичные знаки в других индикаторах не используются.
Нажатием на кнопку SB1 «К» блока управления корректируют показание индикаторами текущего времени и времени автоматического включения звукового сигнала будильника. Кнопкой SB5 «Ч» устанавливают часы, а кнопкой SB4 «М» — минуты текущего времени. Кнопка SB2 «С» служит для перевода часов в режим счета секунд текущего времени и на работу как секундомера с нулевых значений времени. Кнопкой SB3 «Б» включают ждущий режим будильника; при совпадении предварительно установленного и текущего времени пьезокерамический звонок НА1, подключенный к выводу 10 микросхемы, издает звуковой сигнал частотой около 2 кГц.
Подстроенным конденсатором С1, входящим в кварцованный генератор образцовой частоты, можно корректировать точность «хода» часов.
Нити накала знаковых индикаторов рассчитаны на питание напряжением 0,85...1,15 В при токе 45...55 мА. В часах они соединены параллельно и питаются от общего источника напряжением 12 В через гасящий резистор R18. Делитель напряжения R16R17 и двуханодный (симметричный) стабилитрон VD2 образуют среднюю точку нитей накала, относительно которой на элементы индикаторов подается через резисторы R4—R15 отрицательное напряжение, снимаемое с выхода выпрямителя преобразователя напряжения, для устранения мерцания выключаемых элементов индицирующих цифр.
Трансформатор TS1 и транзисторы VT2, VT3 образуют двухтактный преобразователь постоянного напряжения внешнего источника питания в переменное напряжение частотой около 2 кГц. Отрицательное напряжение внешнего источника подается непосредственно на эмиттеры транзисторов, а положительное—на их коллекторы — через обмотки III и IV трансформатора TS1. Напряжение, снимаемое с резистора R20 делителя R19R20, через обмотки I и II подается на базы транзисторов и создает на них положительное (относительно эмиттеров) смещение и тем самым обеспечивает запуск преобразователя. В результате действия положительной обратной связи между коллекторной и базовой цепями транзисторов устройство возбуждается. При этом в обмотке V трансформатора наводится переменное напряжение прямоугольной формы, которое выпрямляется диодами VD2 — VD5, включенными по мостовой схеме, и далее стабилизируется стабилитроном VD1 и транзистором VT1.
Внешний вид часов, смонтированных на печатной плате, эскиз платы и схема размещения деталей на ней показаны на рис. 3— рис 4.

Рис. 3Рис.4

Сплошными линиями обозначены дополнительные проволочные перемычки (12 штук), установленные на плате со стороны деталей. Резисторы R4 — R15 смонтированы в вертикальном положении. Их верхние выводы соединены отрезком монтажного провода, который припаян к контактной площадке печатного проводника, идущего к анодам диодов VD3 и VD4, двуханодному стабилитрону VD2 и (через проволочную перемычку) к коллектору регулирующего транзистора VT1 стабилизатора напряжения. Чтобы предотвратить соединения выводов индикаторов между собой, на них надеты отрезки изоляционной трубки. Под кварцевый резонатор подложена текстолитовая шайба.
Магнитопроводом трансформатора TS1 преобразователя напряжения служит ферритовое кольцо М2000НМ типоразмера К1бХ10Х4,5 (входит в набор). Обмотки I и II содержат по 20 витков, III и IV — по 65 витков, обмотка V—225 витков провода ПЭВ-2 0,14. На схеме начала обмоток обозначены точками. Провода обмоток I—IV наматывают на тело кольца в одном направлении, при этом обмотка II должна быть продолжением обмотки I, а обмотка IV — продолжением обмотки III. Чтобы избежать встречного включения обмоток, каждую пару обмоток (I и II, III и IV) рекомендуется наматывать одним отрезком провода соответствующей длины, сложенным вдвое, затем разрезать и соединить его части так, чтобы одна из них была продолжением второй. Место соединения будет отводом от середины последовательно соединенной пары обмоток (для обмоток I и II —отвод 4, для обмоток III и IV—отвод 7).
Сначала ферритовое кольцо по всему диаметру надо обернуть полоской лакоткани шириной 5мм, закрепить ее конец клеем БФ-2 и, пользуясь проволочным челноком, намотать провод обмоток I и II. Затем, обернув их полоской лакоткани, наматывают обмотки III и IV. Последней наматывают провод обмотки V, предварительно обернув лакотканью предыдущие обмотки, а потом и обмотку V.
Готовый трансформатор закрепляют на плате клеем БФ-2 (использовать для крепления металлические скобы, хомуты или шпильки не рекомендуется) и припаивают выводы его обмоток к соответствующим токонесущим контактным площадкам печатной платы.
Микросхему монтируют на плате в последнюю очередь, предпринимая при этом меры, исключающие возможный выход ее из строя из-за попадания на выводы электростатического заряда или перегрева во время пайки. Чтобы не допустить случайного пробоя микросхемы статическим электричеством, надо, чтобы электрические потенциалы монтажной платы, паяльника и тела самого монтажника были одинаковыми. Для этого на пластмассовую (или деревянную) ручку паяльника наматывают несколько витков неизолированного провода или укрепляют на ней жестяную пластинку и через резистор сопротивлением 100...200 кОм соединяют (провод или пластинку) с жалом и всеми другими металлическими частями паяльника. При монтаже свободной рукой следует держаться за токонесущий проводник питания монтажной платы. Во время пайки длительность касания паяльником каждого вывода микросхемы не должна превышать 3 с, а сам паяльник в это время отключен от сети. Невыполнение этих в общем-то несложных требований может пагубно сказаться на микросхеме.
Закончив монтаж, тщательно сверяют его с принципиальной схемой часов, металлической иглой или чистой безворсовой материей удаляют с печатной платы грязь, остатки флюса, капельки припоя между токонесущими печатными проводниками и площадками, и только после этого подключают к часам источник питания. Внешним источником питания может быть практически любой двухполупериодный выпрямитель с выходным напряжением около 12 В при токе нагрузки не менее 200 мА.
Сразу же после подключения источника питания в индикаторах должны появиться случайные цифры, что является признаком работоспособности часов. Для обнуления и запуска часов надо одновременно нажать кнопки SB1 «К» и SB2 «С», а затем отжать кнопку «К». С этого момента начинают отсчет секунд — часы работают как секундомер. Далее надо отжать кнопку SB2 «С» и одновременным или раздельным нажатием на кнопки SB5 «Ч», SB4 «М» установить на индикаторах часы и минуты текущего времени. Если после этого снова нажать кнопку SB2 «С», индикаторы будут показывать секунды текущего времени.
Чтобы установить время подачи звукового сигнала (будильника), необходимо нажать кнопку SB3 «Б», поочередным нажатием кнопок «Ч» и «М» установить на блоке индикаторов нужное время и отжать кнопку «Б». При совпадении текущего времени со значением установленного должен появиться прерывистый сигнал будильника, отключить который можно нажатием на кнопку «Б».
Для использования часов в качестве секундомера нужно при нажатой кнопке «С» нажать и тут же отжать кнопку «К». Но при этом происходит и сброс текущего времени, значение которого восстанавливают кнопками «Ч» и «М».
Если в процессе .эксплуатации часы будут убегать или, наоборот, отставать, скорректировать их ход можно подстройкой частоты генератора конденсатором С1.
Конструкция футляра часов произвольная. Прямоугольное отверстие в его лицевой стенке, через которое видны индикаторы, желательно прикрыть органическим стеклом или пленкой синего или зеленого цвета.
Может случиться, что светящиеся элементы цифр индикаторов смонтированных часов будут мерцать, а пьезокерамический звонок издавать непрекращающиеся беспорядочные звуки. Причина тому возбуждение микросхемы. Чтобы устранить это явление, надо цепь питания микросхемы заблокировать керамическим конденсатором емкостью 0,047 или 0,068 мкФ, включив его между ее выводами 12 и 15 или параллельно выходу стабилизатора напряжения (на рис. 2 — показанный штриховыми линиями конденсатор С7).
Второй незначительный недостаток, обнаруженный в работе часов,— заметный на слух звук невключенного пьезокерамического звонка. Его причина — недостаточное сглаживание пульсации тока на выходе двухполупериодного выпрямителя VD3 — VD6. Для устранения этого явления надо электролитический конденсатор СЗ заменить или подключить параллельно ему конденсатор емкостью 5...10 мкФ на напряжение не менее 50 В.
Наиболее же существенным недостатком часов, смонтированных из деталей радиоконструктора «Электроника-1», надо считать большие непроизводительные потери энергии источника питания. Дело в том, что транзисторный преобразователь вместе со стабилизатором напряжения, питающим микросхему и анодные цепи знаковых индикаторов, потребляет от источника напряжением 12 В силу тока, не превышающую 15 мА, а нити накала всех индикаторов — не более 190 мА. . Итого округленно 200 мА или, по мощности, 2,4 Вт. Но чтобы напряжение на нитях накала индикаторов было в пределах 0,85...1 В, питание на них подается через резистор R18, гасящий избыточное напряжение около 11 В. Вот и получается, что большая часть мощности, потребляемой часами от источника питания, бесполезно растрачивается на нагрев этого резистора.
Как избежать эти непроизводительные потери энергии источника питания? Если часы предполагается эксплуатировать в автомобиле и питать их от его аккумуляторной батареи, то на трансформаторе TS1 преобразователя можно предусмотреть дополнительную вторичную обмотку, рассчитанную на непосредственное питание от нее нитей накала знаковых индикаторов. Резистор R18 оказывается лишней деталью, которую удаляют.
Для питания часов в домашних условиях надо, конечно, использовать сетевой блок, рассчитанный на раздельное питание цепей микросхемы и нитей накала индикаторов, что также позволит исключить резистор R18. О расчете сетевых блоков питания неоднократно рассказывалось в журнале «Радио» и сборниках ВРЛ (см., например, статью Б. Иванова «Самодельный блок питания» в сборнике ВРЛ, № 84).

Обсудить эту статью на форуме (0 ответов).
Вся информация, предоставленная на данном ресурсе разрешена к ознакомлению детям школьного возраста. Все практическое использование может быть связана с повышенной электрической опасностью и разрешено детям только под присмотром взрослых.