Стабилизированный преобразователь для ПДУ

Применяемые в пультах дистанционного управления (ПДУ) батарейки типа "Крона" имеют малый срок службы. Поэтому целесообразно использовать элементы типа A316 с напряжением 1,5 В совместно с преобразователем напряжения.

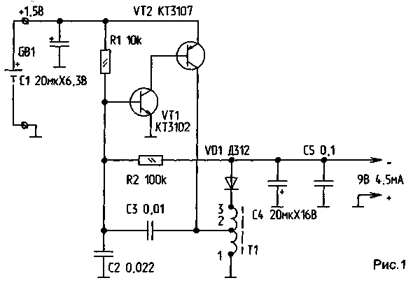
Преобразователь (рис.1) представляет собой однотактный релаксационный генератор с емкостной положительной обратной связью (С2, СЗ). В коллекторную цепь транзистора VT2 включен повышающий автотрансформатор Т1. В преобразователе использовано обратное включение выпрямительного диода VD1, т.е. при открытом транзисторе VT2 к обмотке автотрансформатора приложено напряжение питания Un и на выходе автотрансформатора появляется импульс напряжения. Однако включенный в обратном направлении диод VD1 в это время закрыт и нагрузка отключена от преобразователя.

В момент паузы, когда транзистор закрывается, напряжение на обмотках Т1 изменяется на обратное, диод VD1 открывается и выпрямленное напряжение прикладывается к нагрузке. При последующих циклах, когда транзистор VT2 запирается, конденсаторы фильтра (С4, С5) разряжаются через нагрузку, обеспечивая протекание постоянного тока. Индуктивность повышающей обмотки автотрансформатора Т1 при этом играет роль дросселя сглаживающего фильтра.

Для устранения подмагничивания сердечника автотрансформатора постоянным током транзистора VT2 используется перемагничивание сердечника автотрансформатора за счет включения параллельно его обмотке конденсаторов С2 и СЗ, которые одновременно являются делителем напряжения обратной связи. Когда транзистор VT2 закрывается, конденсаторы С2 и СЗ в течение паузы разряжаются через обмотку 1-2, перемагничи-вая сердечник Т1 током разряда.

Время открытого состояния транзистора VT2 определяется индуктивностью обмотки 1-2 автотрансформатора Т1 и емкостями С2 и СЗ. Частота генерации зависит от напряжения на базе транзистора VT 1. Стабилизация выходного напряжения осуществляется за счет ООС по постоянному напряжению посредством R2. При этом при понижении-выходного напряжения увеличивается частота генерируемых импульсов при примерно одинаковой их длительности. В результате увеличивается частота подзарядки конденсаторов фильтра С4 и С5 и падение напряжения на нагрузке компенсируется. При увеличении выходного напряжения частота генерации наоборот уменьшается. Так, после зарядки накопительного конденсатора в ПДУ частота генерации падает в десятки раз. Остаются лишь редкие импульсы, компенсирующие разрядку конденсаторов в режиме покоя. Этот способ стабилизации позволил довести ток покоя преобразователя до 0,5 мА.
Детали: Транзисторы VT1 и VT2 должны иметь возможно больший коэффициент усиления для повышения экономичности.
Обмотка автотрансформатора намотана на ферритовом кольце 2000 НМ 10х6х2 мм и имеет 300 витков провода ПЭЛ-0,08 с отводом от 50-го витка (считая от "заземленного" вывода). Диод VD1 должен быть высокочастотным и иметь малый обратный ток.
Остальные детали - малогабаритные, любых типов. После монтажа и настройки детали преобразователя закрываются экраном, изготовленным из белой жести.
Печатная платах приведена на рис.2.

Настройка: Правильно собранный преобразователь начинает работать сразу после включения. Необходимо лишь путем подбора резистора R2 установить выходное напряжение равным 9 В. Для увеличения срока службы элемента A316 можно установить в ПДУ миниатюрный выключатель питания.

Обсудить эту статью на форуме (0 ответов).
Вся информация, предоставленная на данном ресурсе разрешена к ознакомлению детям школьного возраста. Все практическое использование может быть связана с повышенной электрической опасностью и разрешено детям только под присмотром взрослых.