
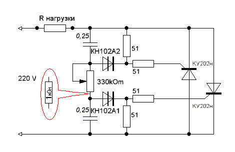
Источник схемы, к сожалению не помню. Схема проста в исполнении. Последовательно с переменным резистором можно включить сопротивление до 1 кОм, что исключит подгорание ползунка переменика при минимальном сопротивлении. Да общем можно подбирать сопротивление переменика исходя из условий эффективной работы нагрузки.