Преобразователь 12/220 В

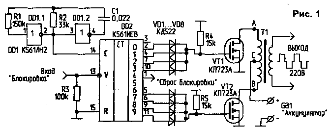
Применение мощных полевых транзисторов позволяет существенно упростить схему и повысить КПД преобразователя. Модернизированная схема приведена на рис.1.

На элементах DD1.1, DD1.2 собран задающий генератор с частотой 500 Гц. Делитель на DD2 формирует две импульсные последовательности частотой 50 Гц со сдвинутыми на 180° фазами для управления силовыми ключами VT1 и VT2 двухтактного преобразователя. Чтобы избежать сквозных токов переключения, между выключением одного ключа и включением другого существует "мертвая зона" - 10% длительности периода.

При подаче высокого уровня (логической "1") на вход "Блокировка" оба выходных ключа запираются. Выходная мощность преобразователя ограничена мощностью силового трансформатора Т1 и максимальным допустимым током выходных транзисторов. Коэффициент трансформации силового трансформатора Кт=20. В качестве выходных транзисторов подойдут IRFZ034 (15 A), IRFZ044 и RG723A(30A), IRFZ046 (50 A), IRFP064 (100 А). Для надежности нужно иметь двойной запас по току и тройной - по напряжению. Силовые цепи должны быть по возможности короче и выполнены проводами соответствующего сечения. Предлагаемую схему преобразователя желательно дополнить схемами защиты и сервиса, включающими:

- защиту от остановки задающего генератора, она же блокировка (рис.2а);

- защиту выходных транзисторов от превышения напряжения на аккумуляторе свыше 15 В (рис.26);

- защиту аккумулятора от глубокого разряда (рис.2в). Эта же схема служит индикатором напряжения аккумулятора. При 10В светодиод VD9 гаснет, при 15В светит в полную силу;

- защиту от неверного подключения, т.е. переполюсовки аккумулятора (рис.2г);

- автомат перехода на резервное питание при пропадании напряжения в сети, и возвращения на питание от сети при появлении сетевого напряжения (рис.2д).

Схема преобразователя потребляет в дежурном режиме ток порядка 7 мА. Чтобы получить схему бесперебойного питания, предлагаемый преобразователь нужно дополнить автоматическим зарядным устройством (рис.3), обеспечивающим заряд и поддержание в рабочем состоянии аккумуляторной батареи (АБ). Преобразователь и зарядное устройство нужно подключать к аккумулятору отдельными проводами.

Счетчик-распределитель К561ИЕ8 (рис.1) имеет вход сброса (вывод 13), высокий уровень на котором приводит микросхему в исходное состояние. При этом прекращается счет, и все выходы, кроме нулевого (вывод 3), сбрасываются в ноль. Оба выходных транзистора VT1 и VT2 при этом закрыты, т.е. преобразователь заблокирован. Схема аварийной блокировки показана на рис.2а. Конденсатор С4 заряжается через R13 до напряжения питания при отсутствии импульсов с выхода DD1.2 и подает логическую "1" на вход блокировки (вывод 13 DD2) через VD13. При нормальной работе преобразователя, на выходе "Сброс блокировки" (вывод 1 DD2) каждые 20 мс появляется логическая "1", которая через R11 открывает транзистор VT5 и разряжает С4, не давая тем самым сработать блокировке. Защита от превышения напряжения на аккумуляторе (рис.26). При превышении Ua>15 В открывается стабилитрон VD10, током через R9 открывается VT4 и подает логическую "1" через VD12 на вход блокировки. Эта блокировка нужна для предотвращения выхода из строя силовых транзисторов. Для защиты всей схемы параллельно С5 нужно включить стабилитрон КС515. Такой ситуации не возникнет, если зарядное устройство не окажется подключенным к преобразователю без аккумулятора. Лучше преобразователь и зарядное устройство подключать к АБ разными проводами. Защита ДБ от глубокого разряда (рис.2в). Величина R7 подбирается таким образом, чтобы при Ua<10,5 В транзистор VT3 уже закрылся, светодиод VD9 погас, и через R8 и VD11 подалась логическая "1" на вход блокировки. С2 предотвращает блокировку в случае кратковременного понижения Ua. Защита от неверного включения (переполюсовки) АБ (рис.2г). При аварийной блокировке на выводе 9 DD1.4 присутствует логическая "1", на выходе DD1.4 - "О". Транзистор VT6 закрывается, реле К1 отпускает и отключает АБ от силовой части преобразователя. В случае переполюсовки при подключении АБ реле К1 вообще не срабатывает. Автомат переключения на резервное питание (рис.2д). В случае присутствия напряжения в сети, реле К2 включено, и своими контактами подключает нагрузку непосредственно к сети. Транзистор оптопары VU1 открыт, и через R14 подает логическую "1" на вход блокировки. Преобразователь при этом заблокирован. При пропадании напряжения сети отпускает реле К2, переключая нагрузку на выход преобразователя. Закрывается транзистор оптопары, и появляется логический "О" на выводе 5 DD1.3. Тоща на выходе DD1.3-"1", положительный импульс открывает транзистор VT5, разряжается С5, со входа блокировки пропадает "1", и преобразователь запускается. Выключатель S1 "Вкл" позволяет выключать преобразователь в том случае, когда при отсутствии напряжения в сети резервное питание не требуется;"+" питания поступает через выключатель S1 и R14 на вход блокировки. При размыкании контактов выключателя S1 происходит запуск преобразователя - так же как и после пропадания напряжения в сети.

Обсудить эту статью на форуме (0 ответов).
Вся информация, предоставленная на данном ресурсе разрешена к ознакомлению детям школьного возраста. Все практическое использование может быть связана с повышенной электрической опасностью и разрешено детям только под присмотром взрослых.