|
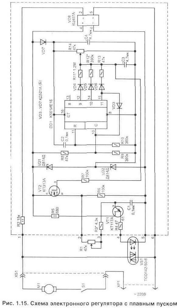
Удобным, а иногда и просто необходимым, элементом современного электроинструмента, такого как электродрель, электропила, болгарка, электролобзик, электромясорубка и многих других, является регулятор скорости вращения электромотора. В самых дешевых моделях таких регуляторов нет вообще, а в дорогих устанавливаются простейшие миниатюрные встроенные в ручку. Габариты такого устройства не позволяют обеспечить необходимый запас по мощности и при интенсивной работе или заклинивании инструмента они часто выходят из строя. Кроме того, мощный электроинструмент имеет большие пусковые токи, что вредно не только для самого инструмента, но и для других подключенных к сети электроприборов из-за возникающих при этом помех. Чтобы пусковой ток снизить, необходим электронный регулятор с режимом плавного возрастания питающего напряжения при включении. Чем лучше заменить вышедший из строя регулятор? В литературе приведено много разных схем электронных регуляторов, но среди них довольно редко встречаются схемы, обеспечивающие режим плавного возрастания выходного напряжения. А те из них, в которых такой режим имеется [Л4, Л5], для питания электроинструмента не удобны. Это объясняется тем, что, как правило, в них плавность нарастания напряжения обеспечивается при помощи заряда конденсатора. Этот конденсатор также медленно разряжается. И если при работе с электроинструментом приходится его часто включать-выключать, то такой регулятор не обеспечивает плавного пуска мотора из-за инерционности. Всех этих недостатков лишена электрическая схема, приведенная на рис. 1.15. Она обеспечивает плавный пуск мотора, а также плавную регулировку скорости в широких пределах. Кроме того, данная схема практически не имеет инерционности, т.е. при повторном включении сразу после отключения выходное напряжение все равно будет постепенно плавно возрастать. Устройство выполняется в виде отдельной приставки, через которую питается электроинструмент. Это позволяет сделать его универсальным - обеспечивается возможность подключения нагрузки
|
 |
|
 |