Этот регулятор можно применить для изменения мощности накальных приборов: плита, паяльник, утюг, лампа, ТЭНы комнатных нагревателей. От ранее известных регуляторов [1],
предлагаемый регулятор мощности на тиристоре отличается простотой и надежностью. Кроме этого тиристор не излучает помех, так как его переключение происходит при переходе сетевого напряжения вблизи нуля. Принцип работы регулятора заключается в том, что на нагрузку подается полупериод сетевого напряжения через выбранное число пропущенных полупериодов.
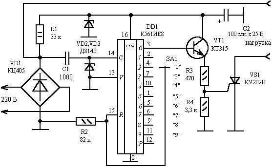
Принципиальная схема регулятора показана на рисунке 1. Диодный мост VD1 выпрямляет сетевое напряжение. Резистор R1 и стабилитрон VD2, вместе с конденсатором фильтра С2 образуют источник питания 9-10 В для питания микросхемы DD1 и транзистора VT1. Выпрямленные положительные полупериоды напряжения проходят через онденсатор С1 и стабилизируются стабилитроном VD3 на уровне 10 В. Таким образом, на счетный вход С микросхемы DD1 поступают импульсы с частотой 100 Гц. Если переключатель SA1 подключен к выводу 2 микросхемы, то на базе транзистора VT1 будет постоянно присутствовать уровень логической единицы. Это происходит потому, что импульс обнуления микросхемы настолько короткий, что микросхема успевает перезапуститься от того же импульса. На выводе 3 установится уровень логической единицы. Тиристор VS1 будет открыт. На нагрузке будет выделяться вся мощность. В
о всех последующих положениях переключателя SA1 на выводе 3 микросхемы будет проходить один импульс через 2-9 импульсов. При дальнейших переключениях перезапуск микросхемы от того же импульса происходит не у всех экземпляров микросхем. Хотя в большинстве случаев это происходит. Если учесть, что микросхема К561ИЕ8 представляет собой десятичный счетчик с позиционным дешифратором на выходе, то уровень логической единицы будет периодически появляться на всех выходах от 0 до 9. Однако, если переключатель установлен на 5 выходе (выв.1), то счет будет происходить только до 5. При прохождении импульсом выхода 5 счетчик обнулится. Начнется счет с ноля, а на выводе 3 появится уровень логической единицы на время одного полупериода. На это время открывается транзистор и тиристор, один полупериод проходит в нагрузку. Это хорошо видно из диаграммы, показанной на рисунке 2.
Если необходимо иметь еще меньше мощность нагрузки, достаточно поставить еще одну микросхему счетчика, соединив вывод 12 предыдущей микросхемы с выводом 14 последующей. Установив еще один переключатель, можно будет регулировать мощность до 99 пропущенных импульсов. Т.е. можно получить примерно сотую часть общей мощности. Необходимо помнить, что мощность диодного моста должна соответствовать мощности нагрузки. При работе с регулятором не забывайте о технике безопасности.
Источник : Бирюков С.А. Устройства на микросхемах., М., Солон-Р, 2000, стр. 75.