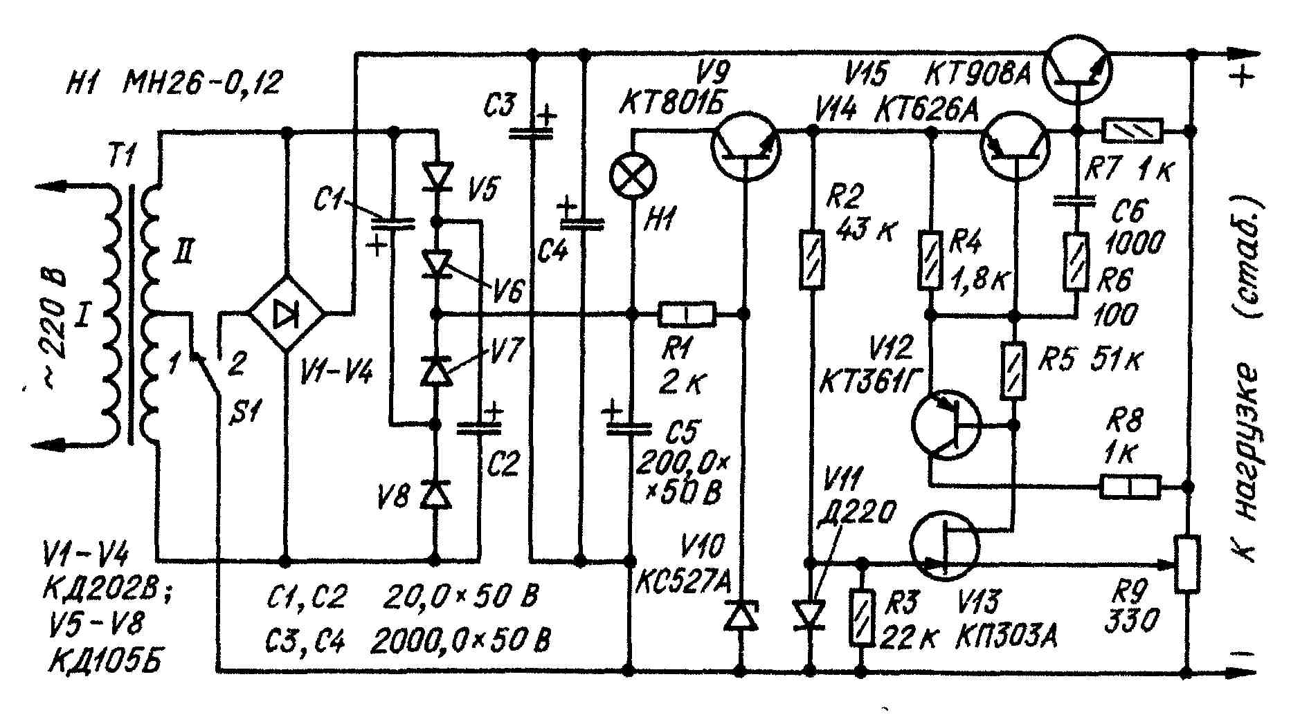
Блок питания 1..29В

Во многих современных стабилизаторах для улучшения их качественных показателей используют операционные усилители, обладающие большим коэффициентом усиления и стабильными характеристиками. Однако относительно простая модификация тради-цонного по схеме транзисторного стабилизатора позволяет заметно улучшить его технические характеристики и избежать некоторых трудностей, возникающих при конструировании стабилизаторов с применением ОУ (особенно в устройствах с регулированием выходного напряжения в широких пределах). Высокий коэффициент стабилизации описываемого блока питания обусловлен усилителем с динамической нагрузкой. Источник образцового напряжения собран на поленом транзисторе, что дает возможность снизить выходное сопротивление стабилизатора и получить глубокое регулирование выходного напряжения.

Основные технические характеристики

Напряжение на входе сгабилизатора, В .......................................30

Пределы регулирования выходного напряжения, В.....................1...29

Максимальный ток нагрузки, А......................................................2

Коэффициент стабилизации напряжения, дБ ...............................60

Выходное сопротивление, мОм ......................................................0,5...10

Температурная нестабильность выходного напряжения и

ннгервале температур 20...50 °С, не более........................................ 0,5 %

Нестабильность выходного напряжения стабилизатора обычно складывается из нестабильности образцового напряжения и дрейфа ОУ. В описываемом стабилизаторе она определяется в основном только температурным дрейфом первого активного элемента. Стабилизатор (см. схему) состоит из двух усилителей с динамической нагрузкой с последовательным управлением. Первый собран на транзисторах V13, V12, где V13 включен по схеме с общим затвором, а V12 — с общим коллектором; второй — на транзисторах V14, V15 (V14 — с общим эмиттером, а V15 — с общим коллектором). Сигнал обратной связи с движка резистора R9, приложенный к истоку транзистора V13, усиливается без инвертирования фазы и поступает на базу транзистора V14. Транзистор V13 работает в режиме, близком к отсечке тока. Напряжение между истоком и затвором является в стабилизаторе образцовым. Цепь R2R3V11 служит только для температурной компенсации изменения тока стока транзистора V13 (без нее при замкнутом на общий провод затворе этого транзистора выходное напряжение стабилизатора изменяется на З... 5 % в температурном интервале 20.. 50 °С). С коллектора транзистора V14 про-инвертированный и усиленный сигнал передается на базу мощного регулирующего транзистора V15. Управляющий элемент питается от параметрического стабилизатора на стабилитроне V10 и транзисторе V9. Для получения более высокою коэффициента использования напряжения основного выпрямителя (см. статью «Улучшение маломощных стабилизаторов напряжения». -- «Радио», 1981, № 10, с. 56) VI —V4 С1абилизатор на транзисторе V9 питается от умножителя напряжения на диодах V5 —V8 и конденсаторах Cl, C2. Умножитель подключен ко вторичной обмотке трансформатора Т1. Лампа H1 служит для ограничения коллекторного тока через транзисторы V9, V14 и базового тока транзистора V15 при коротком замыкании в цепи нагрузки, а также для индикации перегрузки. В момент перегрузки вследствие возрастания базового тока гранзистора V15 происходит снижение напряжения на входе параметрического стабилизачора до уровня 30 В, где это напряжение почти полностью падает на лампе HI за вычетом падения напряжения на транзисторах V9, V14 и эмиттерном переходе транзистора V15. Ток по этой цепи не превышает 120...130 мА, что меньше предельно допустимого для ее элементов.

 

 

В стабилизаторе использован проволочный переменный резистор с допустимой мощностью рассеивания 3 Вт (ППБ-3, ППЗ-40). Транзистор V13 необходимо подобрать с малым значением начального гока стока ~ только тогда нижняя граница выходного напряжения стабилизатора будет близка к 1 В. Ток стока этого транзистора при напряжении между стоком и истоком 10 В и затворе, замкнутом на исток, должен быть в пределах 0,5 . 0,7 мА. При монтаже сгабилизатора между диодом VII и транзистором V13 необходимо обеспечить хороший тепловой контакт, для чего достаточно склеить их корпусы. Транзистор V15 желательно выбрать с большим статическим коэффициентом передачи тока базы. Кроме указанных на схеме, можно использовать кремниевые транзисторы серий КТ203, КТ208, КТ209. КТ501, КТ502, КТ3107 (V12), КТ814, КТ816 (V14), транзисторы КТ815, КТ817 с любым буквенным индексом, КТ807Б (V9),KT803A, КТ808А, КТ819 с любым буквенным индексом (V15). В стабилизаторе можно применить и германиевые транзисторы МП40А, а также любые из серий МП20, МП21, МП25. МП26 (V12), ГТ402, ГТ403, П213-П215 (V14). Вместо КС527А можно применить стабилитроны Д813, Д814Д (по два последовательно), Д810, Д814В (по три последовательно). Транзисторы V9 и V14 желательно установить на небольшие радиаторы (с полезной площадью 20.,. 30 см2). Для транзистора V15 необходим радиатор с полезной площадью не менее 1500 см2. С целью облегчения тепловего режима этого транзистора предусмотрено ступенчатое изменение напряжения на входе стабилизатора тумблером S1, рассчитанным на ток 2 А. В положении 1 на вход стабилизатора подается 15 В, а в положении 2 — 30 В. Когда тумблер находится в положении 2 и сопротивление нагрузки близко к минимуму, стабилизированное напряжение не следует устанавливать менее 15 В. Сетевой трансформатор намотан на магнитопроводе трансформатора ТС-60. Первичная обмотка оставлена без изменения, вторичная перемотана; она содержит 200 витков (по 100 витков на каждую катушку) провода ПЭВ-2 1,16. Для повышения надежности стабилизатора его можно дополнить защитным устройством, описанным в статье «Защитное устройство для транзисторов» («Радио», 1980, № 9, с. 63). Возникающую иногда в стабилизаторе высокочастотную генерацию можно подавить либо увеличением номинала конденсатора С6, либо включением в цепь базы транзистора V15 резистора сопротивлением 5.,. 10 Ом мощностью 1 Вт. Для обеспечения устойчивой работы стабилизатора его монтаж нужно выполнять проводниками минимальной длины, имеющими большое сечение токопроводящей жилы.

 

Обсудить эту статью на форуме (0 ответов).
Вся информация, предоставленная на данном ресурсе разрешена к ознакомлению детям школьного возраста. Все практическое использование может быть связана с повышенной электрической опасностью и разрешено детям только под присмотром взрослых.