Защита стабилизаторов

Перегрузка стабилизированного выпрямителя при коротком замыкании в нагрузке или по другой причине обычно приводит к выходу из строя регулирующего транзистора. Защитить стабилизатор от перегрузки можно с помощью защитного устройства.

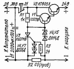
Защитное устройство, входящее в стабилизатор блока питания, схема которого показана на рисунке, обладает высоким быстродействием и хорошей "релейностью", т. е малым влиянием на характеристики блока в рабочем режиме и надежным закрыванием регулирующего транзистора V2 в режиме перегрузки. Защитное устройство состоит из тринистора V3, диодов V6, V7 и резисторов R2 и R3. В рабочем режиме тринистор V3 закрыт и напряжение на базе транзистора VI равно напряжению стабилизации цепочки стабилитронов V4, V5. При перегрузке ток через резистор R2 и падение напряжения на нем достигают значений, достаточных для открывания тринистора V3 по цепи управляющего электрода. Открывшийся тринистор замыкает цепочку стабилитронов V4, V5, что приводит к закрыванию транзисторов V1 и V2.

Для того чтобы восстановить рабочий режим после устранения причины перегрузки, нужно нажать и отпустить кнопку S1. При этом тринистор закроется, а транзисторы VI и V2 снова откроются. Резистор R3 и диоды V6, V7 защищают управляющий переход тринистора V3 от перегрузок по току и напряжению соответственно.

Стабилизатор обеспечивает коэффициент стабилизации около 30, защита срабатывает при токе, превышающем 2 А.

Транзистор V2 можно заменить на КТ802А, КТ805Б, а VI - П307, П309, КТ601, КТ602 с любым буквенным индексом. Тринистор V3 может быть любым из серии КУ201, кроме КУ201А и КУ201Б.

Стабилизатор блока питания, схема которого изображена на следующем рисунке, может быть защищен от перегрчзок и коротких замыканий нагрузки добавлением всего двух элементов - тринистора V3 и резистора R5.

Защитное устройство срабатывает, когда ток нагрузки превысит пороговое значение, определяемое сопротивлением резистора R5. В этот момент падение напряжения на резисторе R5 достигает напряжения открывания тринистора V3 (около 1 В), он открывается, и напряжение на базе транзистора V2 уменьшается почти до нуля. Поэтому транзистор V2, а затем и V4 закрывают, отключая цепь нагрузки.

Для возвращения стабилизатора в исходный режим нужно кратковременно нажать на кнопку S1. Резистор R3 служит для ограничения тока базы транзистора V4 Резистор R5 наматывают медным проводом. Выходное сопротивление стабилизатора можно уменьшить, если R5 включить так, как показано на схеме штриховой линией. Если при включении стабилизатора будут наблюдаться ложные срабатывания, конденсатор С2 следует исключить из устройства. Максимальный ток нагрузки - 2 А.

Вместо транзистора П701А можно использовать КТ801А, К.Т801Б. Транзистор V2 можно заменить на КТ803А, КТ805А, КТ805Б, П702, П702А.

Защитное устройство, изображенное на следующем рисунке, собрано на транзисторах V1 и V2 (в его состав входят также резисторы R1-R4, стабилитрон V3, переключатель S1 и лампа накаливания HI).

Требуемое значение тока срабатывания устанавливают переключателем S1. В рабочем режиме за счет базового тока, протекающего через резистор R1 (R2 или R3), транзистор V1 открыт и падение напряжения на нем невелико. Поэтому ток в базовой цепи транзистора V2 очень мал, стабилитрон V3, включенный в прямом направлении, и транзистор V2 закрыты.

С увеличением тока нагрузки стабилизатора падение напряжения на транзисторе VI увеличивается. В некоторый момент стабилитрон V3 открывается, вслед за ним открывается транзистор V2, что приводит к закрьванию транзистора V1. Теперь на этом транзисторе падает почти все входное напряжение, и ток через нагрузку резко уменьшается до нескольких десятков миллиампер. Лампа HI загорается, указывая на срабатывание предохранителя. В исходный режим его возвращают, кратковременно отключая от сети. Коэффициент стабилизации - около 20.

Транзисторы V1 и V7 установлены на теплоогводах с эффективной площадью теплового рассеяния около 250 см2 каждый. Стабилитроны V4 и V5 укреплены на медной теплоотводящей пластине размерами 150 X 40 X 4 мм. Налаживание электронного предохранителя сводится к подбору резисторов Rl-R3 по требуемому току срабатывания. Лампа HI типа КМ60-75.

Электронно-механическое устройство защиты, срабатывает в два этапа - сначала выключает питание электронного устройства, затем полностью блокирует нагрузку контактами К1.1 электромеханического реле К1.

Оно состоит из транзистора V3, нагруженного двухобмоточным электромагнитным реле К1, стабилитрона V2, диодов VI, V4 и резисторов R1 и R2.

Каскад на транзисторе V3 сравнивает напряжение на резисторе R2, пропорциональное току нагрузки стабилизатора, с напряжением на стабилитроне V2, включенном в прямом направлении. При перегрузке стабилизатора напряжение на резисторе R2 становится бочьше напряжения на стабилитроне, и транзистор V3 открывается. Благодаря действию положительной обратной связи между цепями коллектора и базы этого транзистора в системе транзистор V3 - реле К1 развивается блокинг-процесс.

Длительность импульса - около 30 мс (в случае применения реле РМУ, паспорт РС4.533.360СП). Во время импульса напряжение на коллекторе транзистора V3 резко уменьшается. Это напряжение через диод V4 передается на базу регулирующего транзистора V5 (напряжение на базе транзистора становится положительным относительно эмиттера), транзистор закрывается, и ток через цепь нагрузки резко уменьшается.

Одновременно с открыванием транзистора V3 начинает увеличиваться точ через коллекторную обмотку реле К1, и через 10 мс оно срабатывает, самоблокируется и отключает цепь нагрузки контактами К1.1. Для восстановления рабочего режима на короткое время отключают напряжение сети. Защита срабатывает при токе 0,4 А, коэффициент стабилизации равен 50.

В защитном устройстве, схема которого изображена на следующем рисунке, используют динисторьый оптрон V6, что повышает быстродействие защиты.

При токе нагрузки, меньшем порогового, электронный ключ на транзисторах VI-V3 открыт, индикаторная лампа HI горит, а опгрон выключен (светоднод не горит, фототиристор закрыт). Как только ток нагрузки достигнет порогового значения, падение напряжения на резисторах R5, R6 возрастает настолько, что включится оптрон, через фототиристор которого на базу транзистора V1 поступит положительное напряжение, и электронный ключ закроется. В рабочее состояние устройство возвращают кратковременным нажатием на кнопку S1. Напряжение на нагрузке возрастает медленно, со скоростью зарядки конденсатора С1. Это устраняет броски тока, вызывающие либо ложное срабатывание защиты, либо выход из строя деталей нагрузки при включении питания.

Порог срабатывания устанавливают резистором R5. Для транзисторов V2,V3 требуется теплоотвсд площадью 100-200 см2. Максимальный ток нагрузки 5 А, минимальный ток срабатывания 0,4 А. Этот стабилизатор можно использовать для питания усилителей звуковой частоты.

Обсудить эту статью на форуме (0 ответов).
Вся информация, предоставленная на данном ресурсе разрешена к ознакомлению детям школьного возраста. Все практическое использование может быть связана с повышенной электрической опасностью и разрешено детям только под присмотром взрослых.