Автоматическая защита сетевой радиоаппаратуры

По ГОСТу сетевая радиоаппаратура должна сохранять работоспособность при изменении питающего напряжения в диапазоне 187...242 В (220 В +10-15%). В городской сети напряжение в течении дня может сильно отличаться от номинала 220 В. Это часто бывает в зимний период, когда подключаются мощные потребители энергии, например электронагреватели, и напряжение в сети "просаживается" до границы нижнего допуска. Особенно не любят снижения напряжения ниже допустимой величины (187 В) импульсные источники питания телевизоров, видеомагнитофонов, персональных компьютеров, а приведенные в предыдущей статье устройства не защищают радиоаппаратуру от пониженного напряжения в сети.

Как показывает практический опыт, имеющиеся в продаже простейшие отечественные сетевые фильтры типа "Пилот" и аналогичные импортные блоки (даже с индикацией нахождения напряжения в допустимом интервале) не обеспечивают сохранности аппаратуры в случае отклонения сетевого напряжения за допуск. Сетевые фильтры

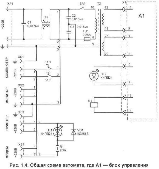
Приведенная на рис. 1.4 и 1.5 схема позволяет быстро (за 4...10 мс) автоматически отключить радиоаппаратуру или любую другую нагрузку от сети в случае отклонения напряжения за допустимый диапазон.

Автоматическая защита сетевой радиоаппаратуры 1-21.jpg

Автоматическая защита сетевой радиоаппаратуры 1-21.jpg

Блок защиты был изготовлен для питания персонального компьютера и используемых совместно с ним устройств, поэтому внутри содержит также фильтр от сетевых помех (элементы С1...С- и Т1). Применение сетевого фильтра не будет лишним для питания любой

Автоматическая защита сетевой радиоаппаратуры 1-22.jpg

Автоматическая защита сетевой радиоаппаратуры 1-22.jpg

радиоаппаратуры. Кроме того, схема обеспечивает защиту подключенной радиоаппаратуры от прерывистого исчезновения напряжения. Так, например, компьютер рекомендуется повторно включать не раньше чем через 15...30 с- когда внутри него закончатся все переходные процессы в источнике питания и других узлах.

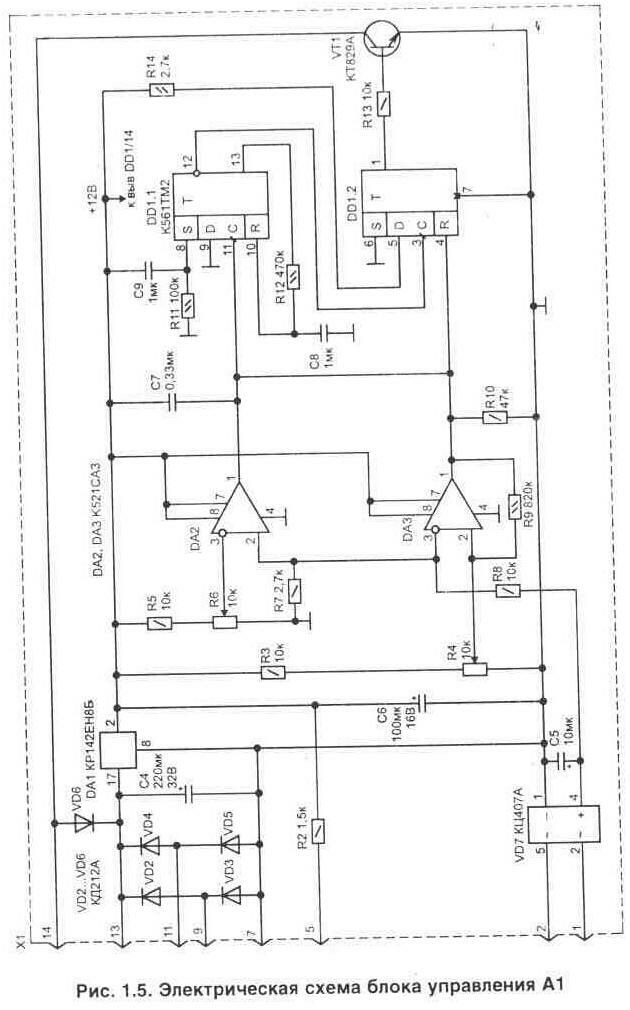
Электрическая схема устройства состоит из источника питания для схемы управления выполненного на трансформаторе Т2, стабилизатора напряжения DA1, компараторов (DA2, DA3) контроля уровня напряжения и узла задержки на микросхеме (DD1). Применение компараторов позволяет с высокой точностью настроить необходимые пороги срабатывания защиты, а схема задержки, собранная на КМОП триггерах (DD1.1 и DD1.2), исключает дребезг срабатывания реле в случае, если сетевое напряжение находится на границе срабатывания защиты.

Устройство включается переключателем SA1. Переменное напряжение, снимаемое со второй обмотки (22-23) трансформатора Т2, используется для контроля уровня напряжения. Оно преобразуется в постоянное (VD7) и через делитель R8-R7 подается на входы компараторов DA2/2, DA3/3. Их пороги срабатывания устанавливаются: на превышение допустимого напряжения резистором R4, а на снижение - подстройкой R6.

В компараторах используются эмиттерные выходы внутренних транзисторов, что обеспечивает их совместную работу на одну нагрузку - R10. На резисторе R10 будут появляться импульсы или положительное напряжение (уровень лог. "1" для триггеров DD1) в момент нахождения сетевого напряжения на уровне порога или за его пределами.

Узел задержки включения работает следующим образом. Если сетевое напряжение находится в пределах допуска - на R10 будет нулевой уровень. При первоначальном включении цепь из С7 и R10 за счет тока, проходящего при зарядке С7, формирует короткий импульс начальной установки триггера DD1.2 (на выходе DD1/1 при этом будет лог. "0"). Аналогичная цепь из элементов C9-R11 формирует более широкий импульс на входе DD1/8 (на DD1/13 появится лог. "1"). Как только через резистор R12 зарядится конденсатор С8 (появится лог. "1" на входе R) - триггер DD1.1 вернется в исходное состояние (DD1/12 - "1", DD1/13 - "О"). При этом положительный фронт импульса на входе DD1/3 (при наличии уровня лог. "1" на DD1/5) переключит триггер DD1.2 и на выходе DD1/1 появится лог.

"1". При этом реле К1 включится и своими контактами К1.1-К1.2 подаст сетевое напряжение в нагрузку.

Если же сетевое напряжение находится на краю допуска или за его пределами - в момент включения схемы (SA1) на резисторе R10 будут присутствовать соответственно импульсы или лог. "1" и на выходе DD1/13 появится лог. "0". В этом случае триггер DD1.2 не включит репе.

При изготовлении устройства использованы детали: постоянные резисторы типа МЛТ; подстроенные R4, R6 типа СП--19а; конденсаторы С1...С- типа К42У-2 на 630 В; С4 - К52-11 на 32 В; С5, С6 - типа К50-35 на 25 В; С7...С9 - К10-17. Можно отметить, что схема не критична к выбору номиналов элементов и для ее сборки могут применяться резисторы и конденсаторы ближайших значений из ряда.

Так как КМОП микросхемы обладают малой нагрузочной способностью, для включения реле используется транзистор VT1 с большим коэффициентом усиления. Его можно заменить на КТ972.

Светодиоды HL1, HL2 подойдут любые из серии КИПД.

Конструктивно все элементы схемы блока управления А1 расположены на печатной плате из одностороннего стеклотекстолита толщиной 1...3 мм с размерами 85х60 мм, рис. 1.6. Плата имеет три объемных перемычки, что делает проще ее изготовление (разводку проводников).

Для удобства соединения платы с внешними цепями установлен разъем Х1 типа МРН14 (на печатной плате вилка). Гнезда XS1...XS3, так же как и сетевая вилка ХР1, должны соответствовать евростандарту, а число гнезд может быть увеличено до нужного количества.

Реле К1 типа ТКЕ54ПОД или более современные из серии РНЕ44. Если блок будет использоваться только для питания компьютерных устройств, то может быть использовано также реле типа РЭН33.

Трансформатор Т1 является дросселем и изготавливается самостоятельно на броневом магнитопроводе типоразмера ШЛ25х20 (сечение железа в месте расположения обмоток 25х20 мм). Обе обмотки содержат по 60...70 витков проводом ПЭЛ-2 диаметром 0.8...1,0 мм. А для того чтобы обеспечить симметричность обмоток - число витков в них должно быть одинаковым. Намотка выполняется на каркасе со средней перегородкой, рис. 1.7. Перегородка позволя-

Автоматическая защита сетевой радиоаппаратуры 1-23.jpg

Автоматическая защита сетевой радиоаппаратуры 1-23.jpg

ет исключить пробой изоляции между проводами обмоток. Такой дроссель фильтра дает возможность подключать к гнездам XS1...XS3 нагрузку с общей мощностью до 2 кВт.

Трансформатор Т2 взят унифицированный типа Уа4.709.066 (ОСТ 25-99-71), но подойдут и многие другие из серии ТПП с напряжением во вторичных обмотках: (12-13) - 20...24 В (0,2 А) и (22-23) - 5...7 В (0,01 А). Его мощность должна быть не меньше 9 Вт.

Вся схема блока защиты потребляет от сети ток не более 30 мА.

Автоматическая защита сетевой радиоаппаратуры 1-24.jpg

Автоматическая защита сетевой радиоаппаратуры 1-25.jpg

При желании в устройстве легко можно сделать автоматическое отключение (в случае аварийной ситуации) не только внешней нагрузки, но и самой схемы блока защиты. Для этого потребуется внести в схему изменения, приведенные на рис. 1.8. Вместо переключателя SA1 устанавливаем кнопки SB1 и SB2, а также подключаем одну свободную группу контактов реле К1.3, как это показано на

Трансформатор Т2 взят унифицированный типа Уa4.709.066 (ОСТ 25-99-71), но подойдут и многие другие из серии ТПП с напряжением во вторичных обмотках: (12-13) - 20...24 В (0,2 А) и (22-23) - 5...7 В (0,01 А). Его мощность должна быть не меньше 9 Вт.

Вся схема блока защиты потребляет от сети ток не более 30 мА.

Автоматическая защита сетевой радиоаппаратуры 1-26.jpg

Автоматическая защита сетевой радиоаппаратуры 1-27.jpg

При желании в устройстве легко можно сделать автоматическое отключение (в случае аварийной ситуации) не только внешней нагрузки, но и самой схемы блока защиты. Для этого потребуется внести в схему изменения, приведенные на рис. 1.8. Вместо переключателя SA1 устанавливаем кнопки SB1 и SB2, а также подключаем одну свободную группу контактов реле К1.3, как это показано на

напряжение, пропорциональное току в нагрузке. Это напряжение выпрямляется диодным мостом (VD1) и поступает через резистор R5 на управляющий электрод тиристора VS2. Если данное напряжение достигнет уровня, необходимого для срабатывания тиристора VS2, он откроется. В этом случае VS2 через диод VD2 закорачивает цепь заряда конденсатора С2 и автогенератор перестанет работать. Когда импульсы, управляющие коммутатором VS1, пропадут - нагрузка отключится и начнет светиться индикатор (HL1) работы защиты.

Автоматическая защита сетевой радиоаппаратуры 1-28.jpg

Автоматическая защита сетевой радиоаппаратуры 1-28.jpg

В этом состоянии схема может находиться долгое время и чтобы вернуть ее в исходное, необходимо нажать кнопку SB1. А с помощью кнопки SB2 нагрузку можно при необходимости отключить вручную. Общим выключателем является также SA1.

Чувствительность срабатывания схемы можно плавно регулировать при помощи резистора R3. Конденсатор С1 предохраняет от срабатывания защиты при кратковременных помехах в сети.

Токовый трансформатор Т1 потребуется изготовить самостоятельно. Для намотки удобно использовать каркас и магнитопровод от любого трансформатора, применяемого в старых отечественных телефонах. Подойдет магнитопровод из железа или феррита М2000НМ типоразмера Ш5х5 (в месте расположения катушки у него сечение 5х5 мм). При этом обмотка 3-4 выполняется проводом ПЭЛ диаметром 0,08 мм и содержит 3000...3400 витков. Последней наматывается обмотка 1-2 проводом ПЭЛ-2 диаметром 0,82...1,0 мм - 30...46 витков.

Импульсный трансформатор Т2 выполнен внутри броневого магнитопровода типоразмера Б14 из феррита с магнитной проницаемостью М2000НМ. Его конструкция показана на рис. 1.43. В центре сердечника необходимо обеспечить зазор 0,1...0,2 мм, что исключит его намагничивание в процессе работы. Обмотка 1 содержит 80 витков, 2 - 40 витков проводом ПЭЛШО диаметром 0,1...0,12 мм.

В схеме использованы детали: подстроенный резистор R3 типа СП--19а, остальные резисторы любого типа; конденсаторы С1, С- типа К50-35 на 25 В; С2 и С4 - К73-17В на рабочее напряжение не менее 63 и 400 В соответственно. Кнопки SB1, SB2 и светодиод HL1 подойдут любые миниатюрные.

Настройку схемы лучше начинать с проверки работы автогенератора собранного на транзисторе VT1. Для этого удобно питание подавать не от сети, а использовать внешний источник постоянного напряжения 15...20 В, подключив его в точки а-б.

Автоматическая защита сетевой радиоаппаратуры 1-29.jpg

При работе автогенератора на конденсаторе С2 должно быть напряжение, форма которого показана на рис. 1.10. Если таких импульсов нет, то может потребоваться подбор номинала резистора R2.

Срабатывание тиристора VS2 при нажатии на кнопку SB2 должно фиксироваться. Если светодиод HL1 постоянно не светится

после отпускания кнопки - надо уменьшить номинал резистора R4 для увеличения тока, необходимого, чтобы удерживать V32 в открытом состоянии.

Проверить работу устройства можно, подключив к гнездам XS1 лампу и стрелочный вольтметр. Прежде всего необходимо убедиться в том, что симистор VS1 полностью открывается (измерив напряжение на лампе). Если это не так, то нужно поменять местами выводы в любой из обмоток импульсного трансформатора Т2.

Схему электронного предохранителя можно упростить, убрав токовый трансформатор Т1, а вместо его обмотки 1-2 использовать резистор (R10) с маленьким сопротивлением (0,2...0,3 Ом) и диод, рис. 1.11. Величина сопротивления R10 подбирается под нужный ток защиты. Но в этом случае схема защиты будет работать на одной полуволне сетевого напряжения, что, естественно, может снизить быстродействие при отключении нагрузки.

Автоматическая защита сетевой радиоаппаратуры 1-210.jpg

При использовании схемы следует учитывать, что некоторые потребители энергии, например лампы, импульсные источники питания, электромоторы и некоторые другие, в момент включения дают бросок тока. В этом случае порог срабатывания защиты надо увеличивать или, что будет значительно лучше, принять меры по уменьшению броска тока в нагрузке. Например, для лампы освещения можно обеспечить режим плавного увеличения напряжения при включении. Это не только продлит ее срок службы, но и уменьшит помехи в сети.

Простейший способ уменьшения броска тока при включении лампы - применение защитных терморезисторов с отрицательным

температурным коэффициентом сопротивления. В настоящее время такие резисторы, например из серии ТР-15, выпускает отечественная промышленность. Эти резисторы позволяют сглаживать пусковые броски тока в лампах накаливания, кинескопах, импульсных источниках питания, электромоторах и других устройствах в 5...10 раз. В рабочем режиме торморезисторы нагреваются проходящим через них током до температуры 150...200"С. При этом они уменьшают свое сопротивление более чем в 100 раз.

Так, например, для защиты ламп накаливания мощностью 100...200 Вт подойдет терморезистор типа ТР-15-470-1,6 (номинальное сопротивление при 25°С - 470 Ом, а в прогретом состоянии 4,3 Ом). Для мощности лампы 25...100 Вт - ТР-15-1000-1,6 (номинальное сопротивление при 25°С - 1000 Ом, в прогретом состоянии 9,2 Ом).

Обсудить эту статью на форуме (0 ответов).
Вся информация, предоставленная на данном ресурсе разрешена к ознакомлению детям школьного возраста. Все практическое использование может быть связана с повышенной электрической опасностью и разрешено детям только под присмотром взрослых.