Подключение телефонов NOKIA 5110,6110,6130 или 6150 к компьютеру

Первая схема (рис.1) предназначена для передачи данных, раскодировки, сервисного обслуживания телефонов, активации дополнительной функции NETMONITOR. В принципе задача схемы состоит в согласовании входных и выходных напряжений СОМ порта с интерфейсом мобильного телефона. В приведенной схеме используется питание от СОМ порта компьютера. При необходимости можно использовать внешний источник питания. Диоды D3-D5 и стабилитроны DZ1, DZ2 можно не применять Как показала практика, схема нормально работает и без них Желающие могут собрать схему и на отечественной элементной базе, заменив микросхему МАХ3232 инверторами микросхемы К561ЛН2 или двумя транзисторами. Также можно использовать стабилизатор напряжения КРЕН5А, но следует помнить, что в этом случае схема может не работать от СОМ порта в связи с большим потреблением тока самим стабилизатором. Правильно собранная схема начинает работать сразу. Телефон NOKIA имеет два внешних интерфейса М bus и F bus. В принципе оба интерфейса имеют одинаковое назначение, но отличаются скоростями. М bus сравнительно медленный - 9,6 кбит/с. Он удобен при подключении к телефону самодельных внешних устройств (автосигнализация, охранные системы, системы снятия информации). F bus более быстрый - до 230 кбит/с. Лучше всего он подходит для работы с программным обеспечением телефона на профессиональном уровне и передачи данных факса

Номер контакта

Назначение

1 Внешний источник заряда +8,2 В, 0,8 А       
2 Контроль заряда PWM 32 кГц
3 Вход микрофона 80 мВт, 1 В
4 "Земля" микрофона и наушника
5 Выход наушника 80 мВт, 1В
6 М Bus скорость 9,6 кбит/с
7 F bus RX скорость 230 кбит/с (115 кбит/с)
8 F bus TX скорость 230 кбит/с (115 кбит/с)
9 Логическая земля

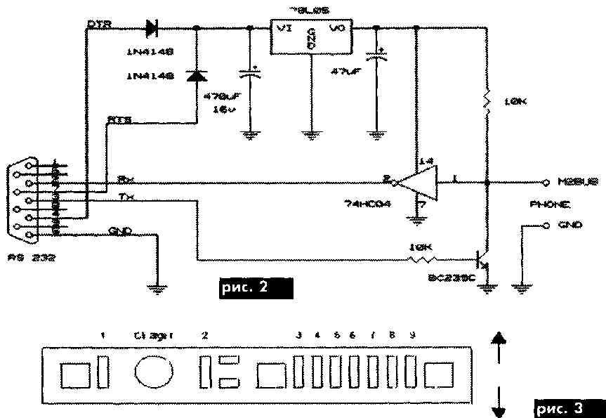
Наиболее интересен для пользователя протокол F Bus. Именно по нему работают большинство готовых программ передача данных факса, работа с записной книжкой (программа NOKIA DATA SUITE), передача мелодий (программа NOKIA PC COMPOSER), логотипов (программа LOGOMANAGER). Все указанные программы можно легко найти в Интернете, например, на сайте: http://www.argogsm.boom.ru/download.htm Схема кабеля для работы с протоколом М Bus показана на рис.2. Микросхему 74НС04 можно заменить микросхемой К561ЛН2, транзистор ВС239С - отечественным КТ315. На рис.3 приведена схема разъема для телефонов NOKIA 5110/6110/6150 Назначение контактов описано в таблице.

РАДИОАМАТОР № 10, 2001

Обсудить эту статью на форуме (0 ответов).
Вся информация, предоставленная на данном ресурсе разрешена к ознакомлению детям школьного возраста. Все практическое использование может быть связана с повышенной электрической опасностью и разрешено детям только под присмотром взрослых.