Простейшее переговорное устройство для двух абонентов

Переговорные устройства обеспечивают телефонную связь между двумя абонентами. Вызов осуществляется через звонок, имеющийся в телефонном аппарате. В таких переговорных устройствах можно использовать телефонные аппараты, у которых исправны лишь трубка, звонок и рычажный переключатель.
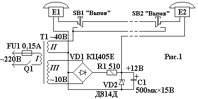
Телефонные аппараты Е1 и Е2 (рис.1) соединяют трехпроводной линией, в которую подают переменное и постоянное напряжения. Переменное напряжение снимают с обмотки II сетевого трансформатора Т1, постоянное - с параметрического стабилизатора напряжения (R1, VD2, CD двухполупериодного выпрямителя (VD1) питание которого осуществляется от обмотки III трансформатора.
Если первый абонент (у него телефонный аппарат Е1) хочет вызвать второго абонента, он должен нажать кнопку переключателя SB1. При этом переменное напряжение с обмотки II трансформатора подается на телефонный аппарат Е2, и в нем звонит звонок. При снятых трубках обоих телефонных аппаратов источник постоянного напряжения включается последовательно с аппаратами - можно вести разговор. Второй же абонент для вызова первого нажимает кнопку переключателя SB2.
Выпрямительный диодный мост VD1 может быть любым из серии КЦ402, КЦ405, КЦ407. Его можно собрать и на четырех диодах серий Д7, Д9, Д220, Д223, Д311. Конденсатор С1 - К50-6, К50-16, К50-24. Кнопочные переключатели - КМ-1, П2К, выключатель питания - тумблер ТВ2-1. Сетевой трансформатор выполнен на ленточном магнитопроводе ШЛ 16х25. Обмотка I содержит 2200 витков провода ПЭВ-2 0,08, обмотка II - 400 витков ПЭВ-2 0,10, обмотка III - 100 витков ПЭВ-2 0,19.
Телефонные аппараты могут быть типов ТА-68, ТАН-66, ТАН-70. В том же случае, если используются аппараты с неисправными номеронабирателями, следует отключить от номеронабирателей проводники и соединить их с рычажным переключателем так, чтобы при опущенной трубке к линии был подключен через конденсатор емкостью 1 мкф (он стоит в аппарате) звонок, а при поднятой трубке ? последовательно соединенные микрофон и телефон трубки.
Трансформатор и детали выпрямителя монтируют в корпусе аппарата Е1. На его задней стенке устанавливают выключатель питания, а через отверстие в стенке выводят сетевой шнур с вилкой на конце. Переключатели устанавливают на корпусах телефонных аппаратов. Для линии используют одножильный или многожильный телефонный или монтажный провод с жилой диаметром нс менее 0,5 мм при больших расстояниях (до 1 км) и нс менее 0,2 мм - при малых (до 200 м). Диаметр провода определяется в основном соображениями его механической прочности.
Несмотря на свою простоту, такое переговорное устройство имеет недостаток: линия связи содержит три провода. Путем некоторого усложнения устройства можно сократить число проводов в линии до двух, как это и имеет место в городских телефонных сетях.
Обсудить эту статью на форуме (0 ответов).
Вся информация, предоставленная на данном ресурсе разрешена к ознакомлению детям школьного возраста. Все практическое использование может быть связана с повышенной электрической опасностью и разрешено детям только под присмотром взрослых.