
Этот прибор обычно используют при обучении игре на музыкальных инструментах как задатчик темпа исполнения. Достоинством описываемого метронома по сравнению с ему подобными является высокая стабильность частоты (темпа), достигнутая выбором довольно высокой частоты ведущего генератора с последующим ее делением двоичными счетчиками. Прибор оказался удобным и в репетиционной работе профессиональных музыкантов. В частности, интересно его применение исполнителями на инструментах ударной группы. Этому способствуют малые габариты и масса метронома, автономное питание и высокая экономичность.
Прибор может задавать любой темп от Largo до Ргеstissimo, тактовый размер - 2/4, 3/4, 4/4, 5/4 и 6/4 с сильными и слабыми долями такта. Мощность, потребляемая от встроенной батареи питания, не превышает 6 мкВт, номинальное напряжение питания - 9 В.
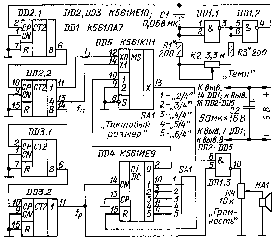
Ведущий генератор (см. схему рис. 1), собранный на элементах DD1.1, DD1.2, вырабатывает импульсную последовательность, скважность которой близка к 2. Делитель частоты на счетчиках DD2.1, DD2.2, DD3.1 DD3.2 формирует три выходных сигнала с частотой тона fт, акцента fa и рабочей частотой fр. Импульсы с частотой fр поступают на вход С счетчика-дешифратора DD4, который в зависимости от положения переключателя SA1 выбора тактового размера пропускает на выход 0 каждый второй, третий, четвертый и т. д. импульсы. Они управляют работой мультиплексора DD5 по входу 1. В зависимости от логического уровня сигнала на этом входе на выход мультиплексора попеременно будет проходить сигнал либо с частотой fт, либо fа. В результате этого на выходе мультиплексора будет непрерывный сигнал звуковой частоты, состоящий из двух составляющих - fт и fа.
Далее этот сигнал через ключ на элементе DD1.3, управляемый сигналом с частотой fp, поступает на регулятор громкости R4 и с него - на звукоизлучатель НА1. Темп метронома устанавливают переменным резистором R2. Переход на повышенную частоту позволил отказаться от оксидного частотозадающего конденсатора в ведущем генераторе и повысить тем самым температурную стабильность частоты. Применение в метрономе микросхем, изготовленных по КМДП-технологии практически устранило зависимость основных характеристик прибора от изменения напряжения питания в пределах от 13 до 4 В.
Использованные в метрономе микросхемы серии К561 можно заменить соответствующими из серии К176, 564. Неподключенные входы всех цифровых элементов устройства следует соединить с общим проводом, а выходы - оставить свободными. Звукоизлучатель НА1 - телефон ТМ-2А (паспорт 08-00-00 ПС).
Собранный без ошибок и из исправных деталей метроном обычно начинает работать сразу после включения; требуется только скорректировать звучание прибора и уточнить границы регулирования темпа. Сначала устанавливают желаемый "тембр" ударов выбором оптимальных значений частоты сигналов fт и fа. Для этого проводники сначала от входа Х0, а затем от X1 мультиплексора переключают попеременно ко всем выходам (в том числе и не показанным на схеме) счетчиков DD2.2 и DD3.1 и прослушивают работу метронома. Выбирают в качестве сигналов fт и fа те из них, которые обеспечивают наиболее выразительное звучание ударов метронома.
Далее надо убедиться, что, поворачивая ручку переменного резистора R2 "Темп", можно перекрыть с запасом с обоих сторон интервал частоты ударов от 0,75 до 3,46 Гц. Если с какой-либо стороны запаса нет или, наоборот, он слишком велик, сигнал fp можно снять с другого выхода счетчика DD3.2. В том случае, когда переключение не помогает, придется скорректировать номинал конденсатора С1. После этого подборкой резисторов R1 и R3 устанавливают точное значение требуемого перекрытия по частоте темпа.
В заключение градуируют шкалу переменного резистора R2, для чего на нее наносят метки в соответствии с таблицей. Измерять частоту можно либо осциллографическим методом, либо специальным прибором - измерителем времени. Удовлетворительную точность дает градуировка по стандартному механическому метроному.
Следует заметить, что при изменении темпа изменяются значения частот fт, fа и fp, а значит, и "тембр" ударов. Если это нежелательно, то придется для формирования сигналов fт и fа установить в метроном дополнительный генератор на фиксированную частоту, по схеме аналогичный имеющемуся.
| Темп | Частота, Гц |
| Largo - очень медленно | 0,75 |
| Lento - медленно | 0,86 |
| Adagio - спокойно | 0,93 |
| Andante - не спеша | 1,1 |
| Andantino - неторопливо | 1,15 |
| Moderate - умеренно | 1,46 |
| Allegretto - довольно быстро | 1,8 |
| Allegro - быстро | 2,2 |
| Vivo - живо | 2,66 |
| Presto - очень быстро | 3,06 |
| Prestissimo - предельно быстро | 3,46 |