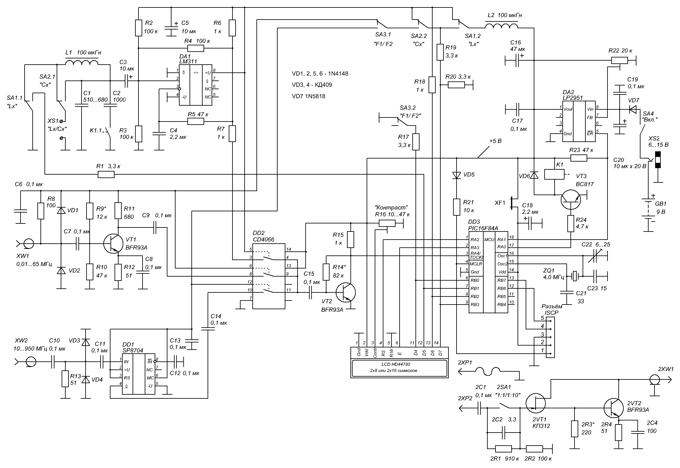
FCL метор на PIC16F84
Ratings
(16)
678768768768678
Прошивка, схема и печатная плата
Doc
13 июня 2012
Просмотров: 7922
Обсудить эту статью
Войдите, чтобы комментировать
Обсудить эту статью на форуме (0 ответов).
Вы здесь:
Главная
Cхемы
Измерительная техника
FCL метор на PIC16F84
Поиск
Sign In
Главная
Cхемы
Программы
Библиотека
Форум
Справочный лист
Советы
Обзоры
Это интересно
Cсылки
Вся информация, предоставленная на данном ресурсе разрешена к ознакомлению детям школьного возраста. Все практическое использование может быть связана с повышенной электрической опасностью и разрешено детям только под присмотром взрослых.