-
3 диапазона UHF,HF,LF;
-
Автоматическая коррекция положения точек(в пределах диапазона);
-
Режим цифровой шкалы;
-
“Продвинутый” алгоритм цифровой автоподстройки частоты;
-
Не создает помех;
-
Быстрое измерение низкочастотных сигналов с высокой точностью.
|
Вход УКВ (UHF) |
|
|
Максимальная частота на входе, МГц |
1000 |
|
Минимальная частота на входе, МГц |
10 |
|
Максимальная погрешность, Гц |
256 |
|
Дискретность отсчета, Гц |
100-1000* |
|
Максимальное напряжение на входе, В |
2 |
|
Минимальное напряжение на входе, мВ |
20 |
|
Время измерения, С |
1 |
|
Вход КВ (HF) |
|
|
Максимальная частота на входе, МГц |
85** |
|
Минимальная частота на входе, Гц |
1 |
|
Максимальная погрешность, Гц |
+/-1 |
|
Максимальное напряжение на входе, В |
2 |
|
Минимальное напряжение на входе, мВ |
20 |
|
Время измерения, С |
1 |
|
Вход НЧ (LF) |
|
|
Максимальная частота на входе, Гц |
500 |
|
Минимальная частота на входе, Гц |
0.01 |
|
Максимальная погрешность, Гц |
0.01 |
|
Входное напряжение, В |
0.01-5 |
|
Общие характеристики |
|
|
Напряжение питания, В |
5 |
|
Потребляемый ток, мА |
200 |
*Дискретность отсчета изменяется автоматически в зависимости от входной частоты.
**Зависит от конкретного экземпляра микроконтроллера , но не менее 65 МГц.
Частотомер предназначен для измерения частоты в пределах 0,01 Гц – 1ГГц, а также для работы в режиме цифровой шкалы в диапазоне КВ ( 1-65 МГц ) и УКВ ( 65 – 999 МГЦ ) с функцией цифровой автоподстройки частоты.
Весь спектр разбит на 3 диапазона измерения частоты УКВ(UHF), КВ(HF), НЧ(LF) и 2 режима шкалы КВ (SCAL H) и УКВ (SCAL U). Переключение режимов осуществляется с помощью кнопки КН1 (см. схему подключения). После включения питания устанавливается режим работы который был установлен ранее (настройки сохраняются в энергонезависимой памяти). Точка всегда отделяет мегагерцы от килогерц и герцы от килогерц. Например частота 15635 Гц будет отображаться как 015.635, а 433,92 МГц как 433.920. На любом из диапазонов положение точек выбирается автоматически, обеспечивая максимально возможную разрешающую способность. Возможные варианты представлены в таблице 2.
Таблица 2.
|
Измеряемая частота |
Отображение |
|
50,25 Гц |
050.25 |
|
1,525 КГц |
001.525 |
|
565,235 КГц |
565.235 |
|
1,024565 МГц |
1.024.56 |
|
27,455125 МГц |
27.455.1 |
|
433,125 МГц |
433.125. |
Частотомер имеет возможность работать в режиме цифровой шкалы по входу КВ(HF) и УКВ(UHF) и двух промежуточных частотах заранее записанных в энергонезависимую память микроконтроллера. Возможные варианты представлены в таблице 3.
Таблица 3.
|
Установка(SET) |
Режим |
|
-1- |
Fвх+F1+F2 |
|
-2- |
Fвх- F1+F2 |
|
-3- |
Fвх+F1- F2 |
|
-4- |
Fвх- F1- F2 |
Также в режиме цифровой шкалы имеется возможность автоматической подстройки частоты гетеродина трансивера. Полоса удержания для диапазона КВ составляет 200 Гц(+/-100Гц), а для диапазона УКВ 50 кГц (+/-25 кГц). Точность удержания ЦАПЧ +/-1Гц. Режим удержания включается автоматически через 5 секунд после того как частота гетеродина стабилизируется (после окончания настройки на станцию). При резком (более 200Гц/сек) изменении частоты режим ЦАПЧ отключается автоматически для комфортной перестройки на другую частоту. Кроме того имеется возможность принудительно отключать ЦАПЧ кнопкой КН2. Режим захвата индицируется зажиганием светодиода VD1. Цепь подстройки частоты гетеродина должна быть настроена таким образом что при управляющем напряжении 0..4 В осуществлялась перестройка +/-100 Гц для КВ +/-25 кГц для УКВ.
Настройка шкалы осуществляется следующим образом:
-
Выключить питание;
-
Нажать кнопку КН1 и не отпуская ее включить питание;
-
На индикаторе отобразится один из режимов установки:
-
F1-первая ПЧ;
-
F2-вторая ПЧ;
-
Set-режим шкалы(см. таблицу 3).
-
Отпустить кнопку КН1;
-
Нажатием кнопки КН1 выбрать режим установки;
-
Через 1 сек шкала перейдет в режим измерения(вход КВ);
-
На вход КВ подать выбранную частоту ПЧ;
-
После установления частоты нажать кнопку КН1 до тех пор пока не мигнет светодиод VD1, после этого отпустить кнопку КН1;
-
Шкала сохранит значение ПЧ в энергонезавимой памяти и через 1сек перейдет в обычный режим работы.
-
Для установки остальных параметров повторить п.1-9;
-
При установке режима шкалы(Set) выполнить п.1-6, и выбрать Set. Через 1сек шкала перейдет в выбор режима шкалы (-1-…-4-).Нажатием кнопки КН1 выбрать режим. Через 5сек шкала сохранит значение режима в энергонезависимой памяти и перейдет в нормальный режим работы.
Установка режима работы и промежуточных частот не очень удобна, но так как процедура выполняется один раз этим можно пренебречь.
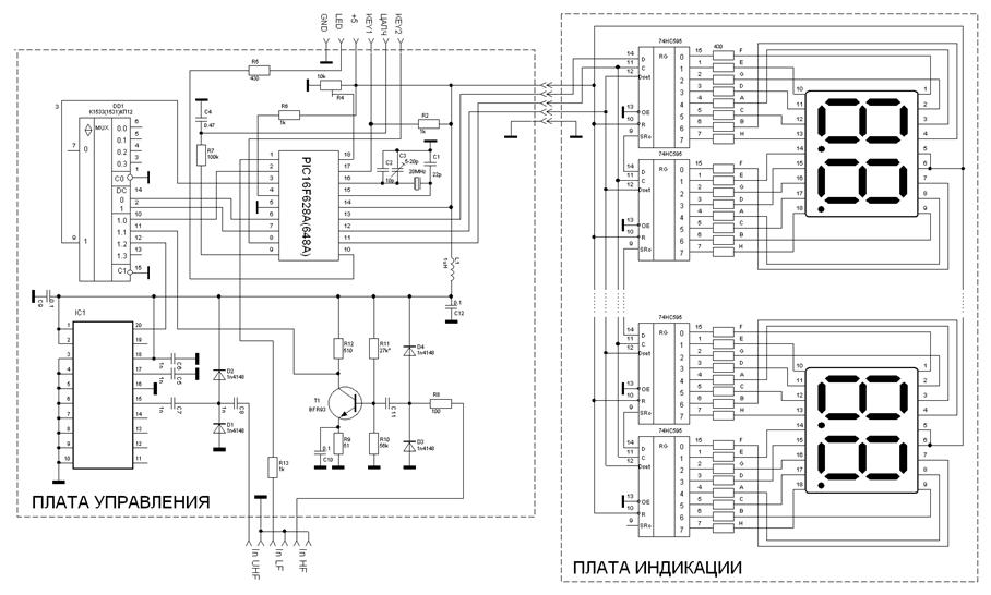
Конструктивно частотомер выполнен в виде двух плат, платы индикации и платы измерения. Платы соединяются пятью проводами длиной до 50 см. Таким образом имеется возможность разнести плату управления и плату индикации.
Частотомер имеет дополнительный диапазон НЧ(LF) для измерения низких и инфранизких частот вплоть до 0.01 Гц. Время измерения в этом диапазоне определяется периодом измеряемого сигнала. Так для частоты 0.01 Гц время измерения составит 100 сек, а для 100 Гц 0.01 сек. Частота определяется как F=1/Т. Вход НЧ канала выполнен по схеме компаратора и порог срабатывания устанавливается построечным резистором на плате измерения.


Авторы проекта:
Виталий Петренко
Александр Гаркавец
г. Запорожье.