Осциллографическая приставка к телевизору

Описания осциллографических приставок к телевизору уже публиковались на страницах журнала ("Радио", 1959, № 1; 1965, № 8 и др.). Однако в отличие от них предлагаемая приставка не требует вмешательства в схему телевизора (она подключается к антенному гнезду телевизора). Совместно с генератором качающейся частоты ее можно использовать для налаживания усилителей ПЧ радиоприемников.

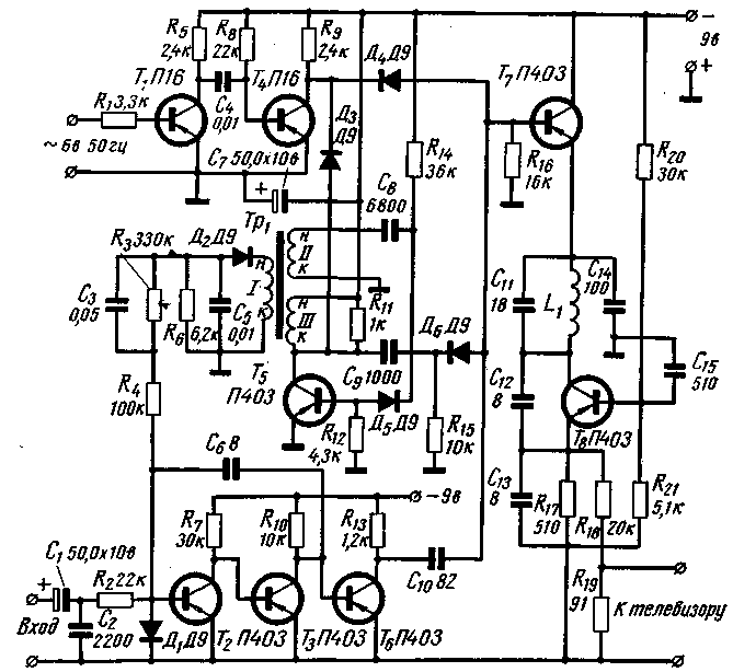
Приставку (рис. 1 и 2) можно рассматривать как миниатюрный телевизионный передатчик. Несмотря на относительную простоту схемы в этом передатчике формируется полный телевизионный сигнал, который отличается от стандартного сигнала только отсутствием уравнивающих импульсов.

Puc.1
Puc.1

Кадровые синхроимпульсы формируются из переменного синусоидального напряжения усилителем-ограничителем (Т1), дифференцирующей цепью R8C4 и пороговым усилителем (T1). Их длительность около 1,9 мсек.

Puc.2
Puc.2

Блокинг-генератор на транзисторе Гз генерирует строчные синхроимпульсы. Это не основные импульсы блокинг-генератора, а выбросы коллекторного напряжения, возникающие сразу вслед за основными. Между коллекторами транзисторов Т4 и T5 включен разделительный диод Д3. В момент генерации основного импульса коллектор транзистора Т4 замыкается на шасси через открытый транзистор T5 и диод Д3. Вследствие этого в кадровых синхроимпульсах появляются врезки, которые, как и требуется, предшествуют строчным синхроимпульсам. Обмотки трансформатора Тр1 блокинг-генератора намотаны на тороидальном сердечнике из оксифера (H=1000). Внешний диаметр сердечника 10 мм, а. толщина 2 мм. Обмотки I и III содержат по 100 витков, ll - 30 витков провода ПЭЛШО 0,1.

В начале периода строчной развертки импульс напряжения блокинг-генератора быстро заряжает конденсатор С5 через диод Д2. В течение остальной части периода он медленно разряжается через резистор R6. Возникающее при этом пилообразное напряжение поступает на базу транзистора Т2. Здесь оно складывается с осциллографируемым напряжением.

Трехкаскадный усилитель (Т2, Т3, T6) из-за большого коэффициента усиления (50000-100000) работает практически в релейном режиме, характеризующемся определенным порогом срабатывания. Поскольку на входное пилообразное напряжение усилителя накладывается осциллографируемое напряжение, то переключение выходного напряжения совпадает по времени с моментом, когда суммарное напряжение переходит через порог срабатывания усилителя. Время нарастания фронта импульсов напряжения на выходе усилителя мало опять-таки из-за высокого коэффициента усиления. Момент появления этих импульсов в течение периода строчной развертки определяется мгновенным значением осциллографируемого напряжения. Параметры приставки выбраны такими, что при отсутствии исследуемого напряжения осевая линия находится в центре экрана. При необходимости изображение на экране можно сдвинуть в ту или другую сторону изменением сопротивления резистора R3.

Для повышения четкости изображения линии на экране телевизора усилитель (T2, Т3, T6) охвачен положительной обратной связью с коллектора транзистора Т3 на базу транзистора Т2 через конденсатор С6. Это значительно повышает усиление в области высоких частот и, следовательно, увеличивает крутизну фронта выходных импульсов. Визуально это проявляется в повышенной резкости перехода от белого к черному.

Кадровые, строчные и видеоимпульсы складываются на входе эмиттерного повторителя (Т7), который является модуляционным усилителем УКВ генератора (Т8). Последний собран по схеме емкостной трехточки. Частота генерации должна быть выбрана равной несущей частоте изображения свободного телевизионного канала. В противном случае приставка может создавать помехи работе соседних телевизоров. Требуемых частот генерации можно добиться, подбирая число витков катушки L1. При настройке на второй телевизионный канал (59,25 Мгц) катушка L1 содержит 5 витков провода ПЭВ 0,6, диаметр катушки 9 мм.

Модулированное ВЧ напряжение поступает на выход приставки через делитель R18-R19, который понижает напряжение до 3 мв во избежание перегрузки ВЧ - тракта телевизора.

Выход приставки коаксиальным кабелем или скрученным двойным проводом соединяют с антенным входом телевизора.

Конструкция и налаживание. Все детали приставки, за исключением УКВ генератора, можно расположить на монтажной плате в произвольном порядке. Детали, относящиеся к УКВ генератору (С11-C15, L1, T8) должны иметь короткие выводы, соединяться между собой короткими проводниками, и кроме того, их следует сгруппировать в одном месте.

Никакой экранировки приставки не требуется. После ее включения необходимо как обычно настроить телевизор с помощью регулировочных ручек (частота кадров, частота строк, контрастность). Если частота импульсов, блокинг-генератора приставки не лежит в диапазоне регулировки частоты строк телевизора, необходимо ввести ее в этот диапазон, изменяя в небольших пределах сопротивление резистора R14. Следует отметить, что синхронизация разверток телевизора от приставки обычно получается очень устойчивой, поэтому плохая синхронизация при налаживании приставки указывает на какую-нибудь ошибку в монтаже. Чтобы добиться точной настройки У К В генератора приставки на выбранный телевизионный канал, приходится растягивать или сжимать витки обмотки катушки L1 (то есть менять шаг намотки). При правильной настройке линия на экране резко очерчена.

Параметры приставки подобраны так, что наибольший размах изображения на экране телевизора соответствует входному напряжению около 0,3 в. Чувствительность приставки можно регулировать, изменяя сопротивление резистора R2.

Для проверки чувствительности приставки на ее вход подают переменное напряжение известной величины либо от источника питания напряжением 6 B, частотой 50 гц через делитель, либо от звукового генератора.

Входное сопротивление и чувствительность приставки при желании можно значительно повысить, подключив к ней обычный усилитель НЧ с эмиттерным повторителем на входе.

(Радио 4-68)

Обсудить эту статью на форуме (0 ответов).
Вся информация, предоставленная на данном ресурсе разрешена к ознакомлению детям школьного возраста. Все практическое использование может быть связана с повышенной электрической опасностью и разрешено детям только под присмотром взрослых.