Генератор качающейся частоты

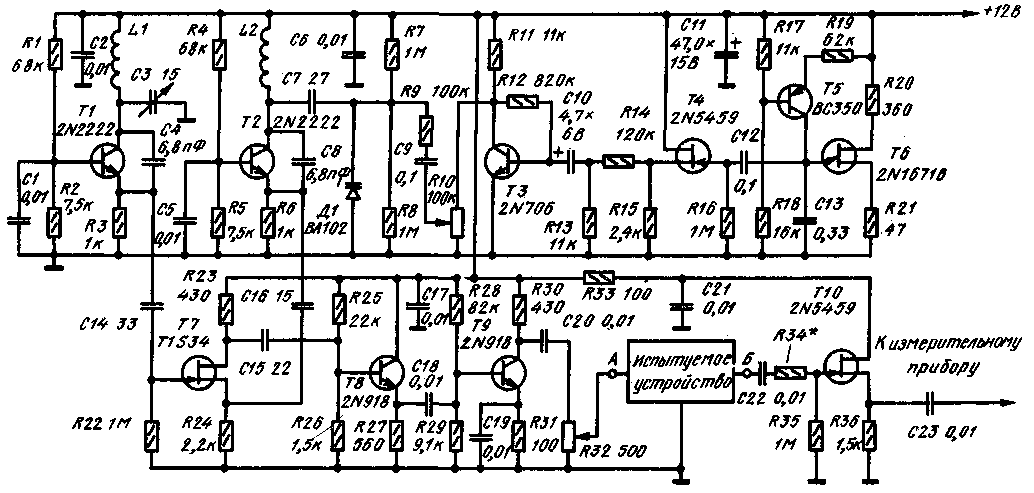
На рисунке приведена схема генератора качающейся частоты для диапазона 3-30 МГц. В его состав входят два высокочастотных генератора. Один из них, выполненный на транзисторе Т1, вырабатывает сигнал, частоту которого в пределах 83-113 МГц можно изменять конденсатором переменной емкости С3. Второй генератор (переменной частоты) собран на транзисторе Т2 и варикапе Д1.

 

 

При отсутствии на варикапе управляющего напряжения генератор настроен на частоту 80 МГц. Управляющее напряжение пилообразной формы с частотой 35 Гц поступает на варикап с генератора пилообразного напряжения, выполненного на транзисторах T5 и Т6. Оптимальную форму напряжения устанавливают подбором резисторов R17, R18.

Линеаризация пилообразного напряжения достигается применением однопереходного транзистора Т6 и стабилизатора тока (транзистор Т5), через который заряжается конденсатор C13. Истоковый повторитель на транзисторе Т4 является буферным каскадом между генератором пилообразного напряжения и усилителем на транзисторе Т3.

Сигналы с генераторов ВЧ поступают на смеситель (транзистор Т1). Результирующий сигнал разностной частоты через буферный каскад (эмиттерный повторитель на транзисторе T8) поступает на транзистор T9 и через переменный резистор R32 подается на испытуемое устройство. Сигнал с выхода этого устройства через истоковый повторитель (транзистор Т10) поступает на измерительный прибор (осциллограф). Каскад на транзисторе Т10 исключает влияние измерительного прибора на испытуемое устройство.

Девиацию частоты устанавливают переменным резистором R10. Уровень сигнала, поступающего на испытуемое устройство, регулируют переменным резистором R32.

ГКЧ потребляет от источника литания ток около 15 мА. Катушки L1 и L2 - бескаркасные, с внешним диаметром б мм. Они содержат по 6 витков эмалированного провода диаметром 0,71 мм. На монтажной плате ГКЧ точки А и 6 следует разместить как можно дальше друг от друга.

Транзисторы 2N2222 н 2N918 могут быть заменены па транзисторы серии КТ315. 2N706 - на КТ603А, а ВС350-на KT352 с любым буквенным индексом. Вместо транзисторов TIS34 и 2N5459 рекомендуем использовать КП302А, а вместо 2N1671B--KT117. Варикап нужно подобрать из серии Д901.

"OLd man" (Швейцария), 1975, N 1

Обсудить эту статью на форуме (0 ответов).
Вся информация, предоставленная на данном ресурсе разрешена к ознакомлению детям школьного возраста. Все практическое использование может быть связана с повышенной электрической опасностью и разрешено детям только под присмотром взрослых.