Динамический диапазон обычных ламп накаливания (5... 10
дБ) значительно ниже динамического диапазона музыкального произведения.
При отсутствии специальных средств это несогласование приводит к тому,
что лампы ЦМУ либо слишком ярко и непрерывно горят при высокой громкости
музыки, либо полностью потухают, когда громкость музыки мала. Приходится
постоянно отслеживать регулировки уровня сигнала в каналах для их согласования
с исполняемым музыкальным произведением.
Описанный недостаток устраняется с помощью компрессоров и автоматических регуляторов усиления. Эти устройства сжимают динамический диапазон музыкальных произведений до диапазона ламп накаливания. Ниже представлено описание трехканальной ЦМУ, в которой используется многоступенчатый усилитель с компрессией и фазоимпульсное управление излучателями (что обеспечивает их плавное включение/выключение). В состав ЦМУ входят: На рис.1 приведена схема предварительного усилителя ЦМУ.
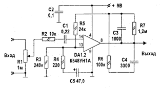
На вход усилителя можно подавать сигнал непосредственно с линейного выхода любого звуковоспроизводящего устройства. Резистором R1 осуществляют подстройку уровня входного сигнала. Усилитель собран на микросхеме К548УН1А (используется только одна половина микросхемы, имеющей в своем составе два канала УНЧ). Резистор R5 предназначен для коррекции обратной связи усилителя. На рис.2 приведена схема одного из частотных фильтров ЦМУ — фильтра низкой частоты.
Цепочка R2, Cl, С2, R3, R4, СЗ, С4 обеспечивает выборку низкочастотной составляющей звукового сигнала. Резистором R1 регулируют уровень входного сигнала для данного канала. Выбранный сигнал усиливается ОУ и поступает через цепочку С5, R7 на эмиттерный повторитель на транзисторах VT1, VT2. Далее сигнал преобразуется трехкаскад-ным пороговым усилителем на VT3, VT4. VT5. Нагрузкой коллекторов транзисторов VT3, VT4. VT5 являются тиристорные оптроны HI, Н2, НЗ. Роль пороговых элементов выполняют диоды VD1, VD2, VD3. Выходы оптронов подключены ко входам узлов фазоимпуль-сного управления. Применение оптронов обеспечивает гальваническую развязку силовой части ЦМУ и схемы управления. На рис.3 представлена схема фазоимпульсных узлов управления излучателями.
Для каждого канала применяется три идентичных узла управления.
Симисторы VS1, VS2, VS3 управляются сигналами с оптронов, они коммутируют
лампы HL1, HL2, HL3, светимость которых изменяется путем фазоимпульсного
управления. В узле управления используются диоды VD6-VD9, образующие
выпрямительный мост, напряжение которого стабилизировано стабилитроном
VD5. Пульсирующее напряжение через R5, R6 поступает на транзисторы VT1,
VT2. В каждом полупериоде сетевого напряжения транзисторы VT1, VT2 открываются
при зарядке С1 до напряжения, равного напряжению, поступающему на базу
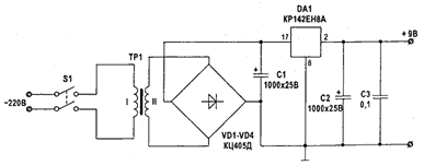
VT1. Время открытия VT1 регулируется резистором R3. Каждый из трех каналов ЦМУ включает: фильтр с тремя оптронными управляющими каскадами, три блока управления А1, А2, A3, которые идентичны для всех каналов. В схемах фильтров для каналов СЧ и ВЧ конденсаторы С1 - С4 должны иметь емкости: 6800 пФ - для СЧ, 1500 пФ - для ВЧ. Схема управления потребляет ток порядка 500 мА. Источник питания 9 В может быть любой конструкции, например, показанный на рис.4.
Параметры ТР1: мощность - 8...10 Вт, выходное напряжение - 10... 13 В. Стабилизатор выполнен на микросхеме КР142ЕН8А с напряжением стабилизации 9В. Микросхему необходимо установить на теплоотводящий радиатор. |
Цветомузыкальная установка с фазоимпульсным управлением
Doc
Просмотров: 5498



