Регулятор скорости вентилятора компьютера с датчиком температуры

  Если теплоотводы выходных транзисторов или микросхем усилителя мощности ЗЧ, компьютера или радиостанции, не справляются с отводом тепла, обычно применяют вентиляторы для их дополнительного обдува. Во многих случаях эту задачу решают так называемые "кулеры" ≈ вентиляторы для охлаждения процессоров в компьютерах. Они имеют малые габариты, достаточно экономичны и рассчитаны на многочасовую работу в непрерывном режиме. Однако держать их все время включенными не имеет смысла. Поэтому желательно изготовить автомат включения вентилятора во время наибольшего потребления энергии, например, при переходе радиостанции в режим передачи. Но это тоже не обеспечивает надежного охлаждения, поскольку вентилятор будет использоваться только во время работы на передачу. Выход из положения ≈ включать вентилятор в случае, когда температура теплоотвода превысит заранее установленное значение, и выключать, когда она вернется к норме.comp22

comp22

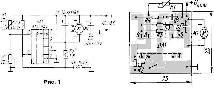
  Эту функцию выполняет устройство (рис. 1), собранное на мощном операционном усилителе (ОУ) К157УД1. Эта микросхема служит компаратором напряжения, что обеспечивает точный и стабильный порог включения и выключения автомата. а сравнительно большой выходной ток микросхемы (до 0,3 А) позволяет подключать к ней дватри вентилятора. На входы микросхемы поступают напряжения с двух резистивных делителей: с R1R2 ≈ на инвертирующий вход, с R3R4 ≈ на неинвертирующий. В качестве датчика температуры использован терморезистор R1. Пока температура теплоотвода не достигла установленного значения, напряжение на инвертирующем входе меньше, чем на неинвертирующем. На выходе ОУ напряжение станет близким к питающему, поэтому вентилятор не будет работать. Потребляемый устройством ток ≈ около к 10 мА. По мере роста температуры сопротивление терморезистора уменьшается, напряжение на инвертирующем входе возрастает. Когда напряжения на обоих входах ОУ сравняются, он переключится. На его выходе напряжение станет равным примерно 1,5 В, и вентилятор включится. Переключение ОУ происходит скачком за счет положительной обратной связи через резистор R5. Гистерезис в работе устройства обеспечивает также включение вентилятора при одной температуре, а выключение при другой, меньшей на несколько градусов. Одновременно это повышает помехоустойчивость автомата. Конденсатор С1 снижает помехи от электродвигателя вентилятора.

  В устройстве можно применить терморезистор ММТ или аналогичный сопротивлением 5...100 кОм. Сопротивление резистора R2 должно быть равно сопротивлению терморезистора. Подстроенный резистор R2 ≈ СПЗ-19а, постоянные ≈ МЛТ, С2-33; конденсаторы ≈ серий К50, К53.

  Большинство деталей устройства припаивают к проводникам печатной платы (рис. 2) из одностороннего фольгированного стеклотекстолита. Отверстий в плате нет, поэтому ее можно крепить клеем или винтами в любом удобном месте, желательно на теплоотводе. Терморезистор закрепляют клеем непосредственно на теплоотводе с той его стороны, которая не обдувается вентилятором, и возможно ближе к источнику тепла или на нем (микросхема, транзистор). Конечно, терморезистор должен быть изолирован электрически от корпуса изделия, на котором он установлен. Конденсатор С2 может понадобиться, когда длина проводников питания превышает несколько сантиметров. Кроме того, если на проводниках появятся помехи, от которых срабатывает микросхема (проявляется это в виде неустойчивой работы автомата и случайных включений вентилятора), резисторы R2, R4 необходимо зашунтировать оксидными конденсаторами емкостью по 20 мкФ.

  Налаживание устройства сводится к установке температуры включения вентилятора подстроечным резистором R2. Подбором резистора R5 можно установить значение разницы между температурой включения и выключения вентилятора. Чем меньше его сопротивление, тем больше будет эта разница.

  Испытания устройства показали, что при работе с одним вентилятором (12 В, 0.14 А) и напряжении питания от 10 до 15В микросхема практически не греется и установки ее на теплоотвод не требуется. Если с двумя-тремя вентиляторами она будет заметно нагреваться, то ее придется установить на теплоотвод через небольшие металлические втулки или обеспечить ее обдув вентилятором. Монтаж устройства в этом случае можно вести навесным методом, используя выводы микросхемы как опорные контакты.

И. НЕЧАЕВ
г. Курск

Обсудить эту статью на форуме (0 ответов).
Вся информация, предоставленная на данном ресурсе разрешена к ознакомлению детям школьного возраста. Все практическое использование может быть связана с повышенной электрической опасностью и разрешено детям только под присмотром взрослых.