Регулятор скорости вентилятора компьютера с датчиком температуры

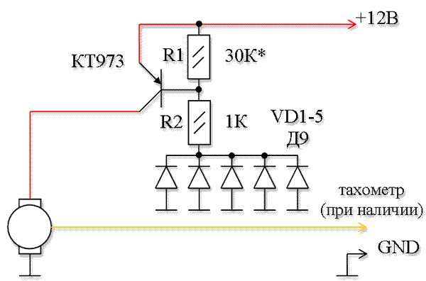
comp02Предлагаемое устройство позволяет автоматически регулировать скорость вращения вентилятора в зависимости от температуры охлаждаемого объекта, что в свою очередь снижает производимый вентилятором шум, а также продлевает срок его службы.   Благодаря простоте предлагаемой схемы, монтаж можно осуществить в навесном варианте. При этом транзистор крепится на радиатор с помощью винта, через изолирующую прокладку, остальные детали приклеиваются токонепроводящим клеем. Так как в качестве термоэлементов используются диоды, необходимо обеспечить их тепловой контакт с радиатором (термопастой или клеем). Составной транзистор КТ973 можно заменить парой транзисторов КТ814 и КТ361. Подбором резистора R1 регулируют температуру включения вентилятора. Устройство особенно эффективно при работе вместе с программными кулерами, такими как CPUCool, CPUIdle.

Вовненко А.С.

Обсудить эту статью на форуме (0 ответов).
Вся информация, предоставленная на данном ресурсе разрешена к ознакомлению детям школьного возраста. Все практическое использование может быть связана с повышенной электрической опасностью и разрешено детям только под присмотром взрослых.