|
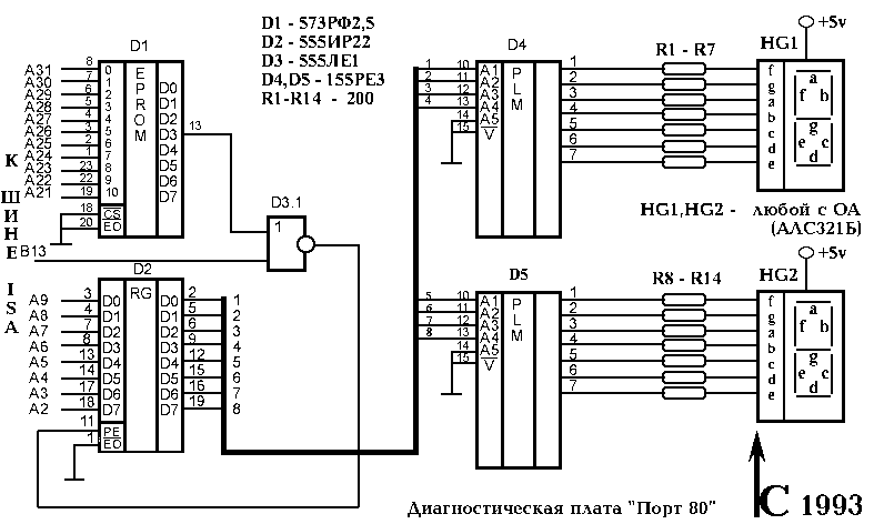
Диагностическая плата "Порт 80" предназначена для тестирования материнских плат ПК и в случае неисправности, позволяющая сделать заключение о причине. Базируется на том факте, что производителями материнских плат было принято решение выделить определенный физический адрес для диагностического порта, в который по мере загрузки BIOSa и инициализации различных устройств, находящихся на материнской плате, посылается определенный код. Эти коды, носящие имя POST codes, и позволяют узнать какое устройство инициализируется в настоящее время и удачно ли прошла эта инициализация. Наверняка проницательный читатель уже понял, что в названии этой статьи не зря присутствует цифра 80 - это как раз адрес диагностического порта в шестнадцатиричной системе счисления. Необходимо сказать, что хотя порт и стандартизован, производители BIOSa инициализируют устройства в разном порядке и коды, которые они посылают в этот порт то же не совпадают. Поэтому для каждого BIOSa существует своя таблица POST кодов. Найти ее можно на сайтах производителях AWARD, AMI, MRBIOS, PHOENIX. Или воспользоваться рускоязычным сайтом, посвященным исключительно BIOS-aм в различных их проявлениях: ic.doma.kiev.ua. Таблици POST кодов для всех !!! BIOS-ов: http://ic.doma.kiev.ua/inside.htm Там же кстати есть и описание работы с подобной платой: http://ic.doma.kiev.ua/hardware/port80/port80.htm. Нет только схемы самой платы. Этот досадный недостаток я и решил восполнить. Также, исключительно по просьбе представителей этого сайта, сообщаю, что я, так же как и разработка представленной тут платы, не имеем совершенно никакого отношения к вышеупомянутому сайту. Приведённая схема является исключительно моей интеллектуальной собственностью и ни в коей мере не базируется и не претендует ни на интеллектуальную ни на прочую собственность вышепреведённого сайта. Копирайт однако ;) |
||||||||||||||||||||||||||||||||||||||||||
|
Некоторые пояснения: D1 - дешифратор адреса. Построен на базе программируемой EPROM с ультрафиолетовым стиранием - упрощает конструкцию и дает гибкость при работе. Прошивка представляет собой программиррование байта по адресу 80h нулевым значением. Следует сказать, что все остальные байты должны быть FFh -, что соответствует полностью стертой микросхеме. Насчет гибкости - обнулив в другой микросхеме байт по иному адресу, получим цифровой индикатор содержимого порта по этому адресу, для этого необходимо не впаивать микросхему в плату, а установить ее на панельку. Адресное пространство ограничено для данного типа микросхемы значением 7FFh. Небольшое замечание: Возможно прийдется подобрать эту микросхему в смысле быстродействия т.к. частоты которые бегают по ISA шине являются предельными для микросхем 573 серии. D2 - регистр - защелка посылаемых в порт данных. D4, D5 - дешифратор данных на семисегментный индикатор. Для этих целей вполне подойдет и готовый дешифратор К514ИД1. Так как микросхемы надо от чего-то запитать: На шине ISA: Ground - B1, +5V - B3. Прошивка для РЕ3: (Данные приведены в шестнадцатиричной системе счисления).
Шина ISA:
|
||||||||||||||||||||||||||||||||||||||||||
![]() |
||||||||||||||||||||||||||||||||||||||||||
![]() |
Диагностическая плата "Порт 80" для шины ISA
Doc
Просмотров: 5738

