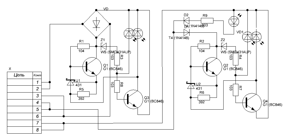
POE Tester

poe tester s

poe tester s

 
poe tester l
poe tester l
 

 

Обсудить эту статью на форуме (6 ответов).
Вся информация, предоставленная на данном ресурсе разрешена к ознакомлению детям школьного возраста. Все практическое использование может быть связана с повышенной электрической опасностью и разрешено детям только под присмотром взрослых.