ZX-Spectrum "Pentagon 128"

schema1

schema1

schema2

schema2

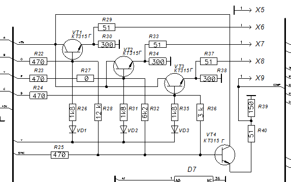
shema4

 

plata

plata

 

Отладку платы надо начинать с того, что:
- вытащить из панелек процессор Z-80, основное ПЗУ 27512, ПЗУ принтера РФ2 (или РФ5), контроллер дисковода ВГ93;
- подключить источник питания на +5В (+12В, до отладки дисковода подключать не надо).
Все остальные детали, кроме РУ5, можно впаивать в плату без панелек; как правило, их выход из строя невелик и неисправная микросхема обнаружиться в процессе отладки. В отличии от простой логики, микросхемы памяти РУ5 можно впаивать лишь предварительно проверив их, либо тоже вставлять в панельки. Подходят РУ5 с одной точкой(РУ5.), или РУ5 с двумя точками (РУ5..). После подключения источника питания +5В на экране монитора должна появиться «шахматная доска». Для подключения монитора на плате имеется стандартный RGB и SYNC выходы.
Подключение телевизора возможно, лишь внедряясь в его схему: по входам RGB на базы предвыходных транзисторов через подстроечные резисторы и сигнал Sync на видеовход.
1. Если у Вас не появляется «шахматной доски» на экране, надо преступить к отладке синхронизации и выхода на экран.
а) на выходе микросхемы D1/4н проверить наличие 14МГц. Если частоты нет, то возможны три стандартные ситуации: 1 — неисправен кварц, 2 — неисправна микросхема D1, 3 – замыкание или обрыв между дорожками или ногами микросхемы D1.
1 – Замыкание. Обнаружить как правило, трудно для сигналов плохо синхронизирующих на осцилографе, но можно догадаться, проследив, что у такого сигнала, как правило три уровня. Третий уровень (где-то +2.5В) появляется, когда сигнал на одном выходе +5В, а на другом 0В.
2 - Обрыв. Не всегда легко обнаруживается, если сигналы статические, т.к. почти вся логика на плате TTL, то если сигнал до входа не доходит, следовательно на этом входе порядка +2В (при обрыве).
3 - Неисправная микросхема. Бывает, что замыкание или обрыв - внутри микросхемы, тогда (см.1 или 2) основной метод борьбы - это отрезать выходы этих микросхем (лучше дорожки, ведущие от них) и проверить сигнал, либо входы микросхем отрезать, если они на что-то замкнуты. Тяжелее с этим бороться, если много обратных связей и обрез выхода сильно влияет на входы этой же микросхемы. Здесь поможет документация на микросхему (или аналог), и её логика работы по таблице истинности, чтобы представлять полную картину работы микросхемы, и задавая определённые комбинации входов, анализировать по таблице истинности, в соответствии со схемой, выход.
б) Если 14МГц есть, то надо посмотреть, имеется ли строчная и кадровая синхронизации. Строчная синхронизация подходит на D6/1н, длительность сигнала 64 мкс. Если нет частоты, то проверить всю логику выше этой микросхемы, следуя от этой ножки до кварца. Проверить, совпадают ли сигналы GND (0В) и +5В(+2,5В) на свободных ногах микросхем. На D6/2н подходит кадровая синхронизация, длительность сигнала 20мс. Если нет, то аналогично следуем этой ноги к счетчикам D11, D12. Если обе частоты есть, то смотрим доходит ли их смесь до монитора. Для этого проверяем D72/11н. Если сигнал Sync есть, то должен быть растр. Если экран пустой (черный или белый), т.е. нет рамки, то проверяем сигналы R(D72/6н), G(D72/8н), B(D72/3н). Если пусто, то мультиплексоры D46, D47. Посмотреть, есть ли сигналы на выходах, если нет, то на входах 14н, 2н, а также доходят ли сигналы с D40, D42. Если какие-то отсутствуют, то проверить 14н у всех РУ5 и доходят ли они до D40, D41, D42. Если же на выходах D40, D41 вообще нет сигналов, проверить все тактовые входы D40/11н, D40/1н; D41/11н, D41/1н; D42/11н, D42/1н. Как правило, после появления вышеперечисленных сигналов, появляется рамка. Но, тем не менее, рекомендуется проверить, доходят какие-либо сигналы до всех входов микросхем D16-D19. После этого - до всех входов микросхем D20-D35 (РУ5). После этого можно приступать к следующему этапу.

2. Правильным ключем вставляем процессор Z80. На экране должны появиться чередующиеся полосы черного и бело-сине-белого цвета, т.е. первые 8 точек черные, далее 3 белые, 3 синие и 2 белые и т.д. (т.н. МАТРАС). При нажатии на RESET эти полосы могут меняться местами. При вставленном процессоре должен быть матрас т.к. выполняется команда RST #38 (при условии, что резисторы подтягивающие к +5В установлены правильно и нужного номинала) она эквивалентна комманде CALL #38, только однобайтовая, её код 255 (что соответствует 11111111 на шине данных, опять-же из-за резисторов подтягивающих шину данных к +5В). Матрас происходит от того, что при выполнении команды RST #38 на стек записывается адрес возврата следующий за командой RST #38 (стек направлен в обратную сторону от старших адресов к младшим). Т.е. память заполняется данными "от стека" и вконце концов попадает в область "экранной" памяти (с адреса 16384 до 23295 - это область памяти экрана пиксели+цвета). Тогда-то мы и видим МАТРАС.
Если на экране этого нет, то надо проверить, не замыкаются ли ноги Z80; Есть ли сигналы на 4 и 5 ногах РУ5, а также посмотреть, совпадают ли диаграммы. Стоит еще обратить внимание на величину и "шумы" питающего напряжения, т.к. для пентагона желательно иметь стабилизированный "малошумный" источник питания чуть выше 5В (5 - 5,1В) на контактах разъема коммутаций.

3. Описание отдельных блоков схемы.
а) Основная часть.
D1-D14 формируют: строчную частоту - сигнал С4, кадровую - D5/8н, сигнал рамки - С5, гашение - BL, а также частоты, поступающие на D16, D17, которые формируют адреса изображения экрана;
D18, D19 - мультипликсируют адреса от процессора с выбранной страницей;
D15, D49-D51 - формируют сигналы управления и доступа к памяти;
D45 - формирует сигналы RAS и CAS для РУ5;
D61-D64 - задают номер страницы - ноги 2,5,7 у D62; 2 экрана - С35; номер ПЗУ - С36; А также защелку для режима 48кб - D62/15н;
D39 - осуществляет чтение данных с РУ5;
D38, D41, D42 - кодируют 8 точек в одном знакоместе.
D37, D40 - кодируют цвет черных и белых точек, их яркость и бит мигания знакоместа;
D43, D10.1 - задают цвет бордюра - сигналы K9, K10, K11; выход на магнитофон - D43/15н; звук - D10/5н;
D46, D47 - переключают цвета черных и белых точек, а также бордюр и гашение;
D72 - буфер (для подключения монитора);
VT2 - задает частоту мигания FLASH;
D100 - преобразует линейный выход магнитофона в цифровой;
D70, D44 - формируют сигналы с клавиатуры и магнитофонный вход;
D52, D54, D55, D66, D67 - формируют сигналы принтера; При подключении разъема принтера необходимо, чтобы сигнал ENPR в этом разъеме (через разъем) заземлялся, иначе принтер работать не будет. Если ENPR заземлить на плате, будьте готовы к тому, что некоторые игры на 48кб идти не будут. Для инициализации принтера - команда LPRINT, далее любые команды (LLIST, LPRINT, COPY); Перевод строки - команда LPRINT CHR$ 3; Для выхода в меню принтера - LPRINT CHR$ 0; CHR$ 0.

б) Контроллер дисковода
D88 - формирует управляющие сигналы: выбор плотности записи - 2н; загрузка магнитной головки - 7н; RESET - 10н; выбор дисковода 12н, 15н, а также микросхема D98;
D89 - выбирает нужные устройства: либо микросхему D88, D91, либо ВГ93.
D92, D93 - ФАПЧ для данных с дисковода;
D78 - формирует сигнал немаскируемого прерывания для сброса программ с помощью кнопки MAGIC;
D75-D77, D82-D85 - формируют сигналы переключения ПЗУ TR-DOS и доступ к регистрам контроллера дисковода.

4. Переделка схемы для 27512 под 27256+27128
a. Отрезаем 1н D36 на плате со стороны деталей PIN 2 на монтажной схеме, и бросаем на 1н +5В - это делается путем спайки PIN 2 на плате со стороны пайки.
б. Отрезать 20н D36 на плате со стороны пайки, но не у самой ножки, а после первого переходного отверстия на верхнюю сторону пайки см. PIN I на монтажной схеме. При этом 20н DЗ6 надо соединить с 11н D83, для этого делаем спайку на плате со стороны деталей см. PIN I.
в. В 27128 должен быть зашит TR-DOS и она впаивается нижней. Если вместо 27128 используется 27256, то 27н повесить либо на землю, либо на +5В в зависимости от того, в какую половину записан пропуск TRDOS. У 27256 зашитой под Бейсик 128Кбайт отогнуть 20н и напаять сверху на 27128. На 20н бросить провод с 6н D84.

5. Возможные отказы

Если Вы качественно напаяли микросхемы без замыканий, то неработа компьютера возможна из-за неисправности микросхемы.

а. У Вас не работает клавиатура - проверить есть ли сигналы на выходе D70. Если нет, а остальные сигналы подходят, то микросхема D70 не работает. Аналогично проверить микросхемы D44. Для этого, возможно, придется отрезать от шины данных некоторые выходы.
б. Во весь экран вертикальные черные полосы во второй половине знакоместа - не работает или обрыв D41.
в. Без ПЗУ и процессора весь экран белый - неправильное RAS или CAS на РУ5.
г. Без ПЗУ и процессора весь экран черный. Не работает или обрыв D6 11н, или D42, или D38, также возможны неправильные RAS или CAS.
д. При сбросе постоянный выход в 48к, частые зависания - проверить узел D61-D65. Возможно это происходит из-за медленной памяти РУ-5 (более двух точек на корпусе).
е. Вставляем ПЗУ - продольные черные и сине-бело-синие полоски остаются или нет выхода в меню:
- в первом случае см. сигналы ОЕ D36/22н, CS D36/20н;
- во втором случае кроме этих сигналов А14 - 27н, 1н, и доходят ли сигналы до всех остальных.
ж. Не меняется цвет бордюра и звука - посмотреть есть ли сигнал на 9н D43 и 3н D10. Если есть, то имеются ли сигналы на выходах этих микросхем (при смене фона или звуке), заменить - если нет, в противном случае в цепи обрыв.
з. Не работает принтер.
1. Убедиться, что ENPR при подключении принтера заземляется.
2. Заземлить 2н D66, набрать LPRINT [ENTER]; LLIST [ENTER] (предварительно набрать любой текст на Бейсике). Далее смотреть есть ли сигналы на 20н и 18н D54, 11н D55, 6н D67. Если нет, то идти по цепочке, выясняя откуда сигнал не доходит. Смотреть имеются ли сигналы сразу после набора LLIST [ENTER].
и. На экране время от времени появляются точки - посмотреть (подрегулировать) питание или подобрать емкость С16.
к. Не работает считывание с магнитофона.
1. Если есть сигналы синхронизации (двигающиеся вверх или вниз горизонтальные красные полосы), то подстроить головку на магнитофоне; или возможно в некоторых магнитофонах усилить линейный выход, убрав сопротивление на выходе магнитофона.
2. Экран мигает бордюром, но полос не выдает. Проверить как сигнал 300 мв усиливается микросхемой D100 и доходит, ли он до 4н D44.
л. Темный экран. При наборе бордюра инверсный фон внутри рамки - нет гашения. Проверить 15н, 1н D47, D46.
и. Экран весь серый при наборе бордюра весь экран становится такого же цвета. Нет сигнала рамки на 2н D47, D46, 2н D46, D47 должна быть проводом брошена на 8н D10 (см. исправление ошибок).
н. Не работает дисковод.
1. Проверить все питания в том числе 40н ВГ93 (+12в).
2. С помощью клавиш CAPS SHIFT и курсора выберите Бейсик 48. В нем наберите PRINT USR 15616. Если Вы не вышли в заставку дисковода, тогда проверьте переключается ли триггер D76 и есть ли сигналы при выходе в дисковод на 1н D36. Если сигналы есть, попробуйте увеличить емкость С3, а возможно понадобится повесить емкость порядка 200Пкф на 10н D76.
3. В заставку дисковода вышли. Набрать команду LIST [ENTER]. Если надпись DISK ERROR, то отформатировать диск. Если диагностика - No Disk (с закрытым окошком и правильно вставленной дискетой), то проверить есть ли сигналы на 35н, 26н и 27н ВГ93, если есть, то возможно надо увеличить С1 до 500ПкФ - это также нужно сделать если у Вас не очень хорошее считывание.
4. Плохо читаются Ваши дискеты - стоит немного увеличить С2. Возможно не работает предкомпенсация. Посмотреть логику работы D97 и т.д. от сигналов Q15, Q16, Q17.
5. Вообще не записывает и не форматирует. Посмотреть доходит ли все до D96, а также на контакт А17 разъема дисковода (2н D94), в случае неформатирования возможно и плохое чтение см.3.

 

Вся информация, предоставленная на данном ресурсе разрешена к ознакомлению детям школьного возраста. Все практическое использование может быть связана с повышенной электрической опасностью и разрешено детям только под присмотром взрослых.