Floppy Drive Emulator "эмулятор Француза"
Ratings
(4)
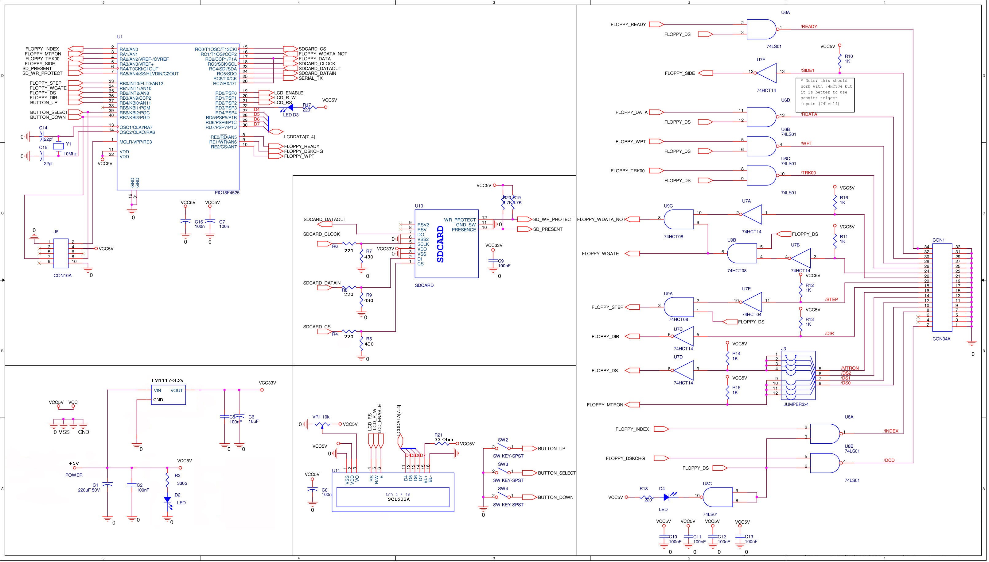
HXCFLOPPYEMULATOR Schematic
HXFEPCB
HXFE ver2.0
Прошивка , плата
Шанхайский связной
05 октября 2023
Просмотров: 1414
Обсудить эту статью
Войдите, чтобы комментировать
Вы здесь:
Главная
Cхемы
Компьютеры и периферийные устройства
Floppy Drive Emulator "эмулятор Француза"
Поиск
Sign In
Главная
Cхемы
Программы
Библиотека
Форум
Справочный лист
Советы
Обзоры
Это интересно
Cсылки
Вся информация, предоставленная на данном ресурсе разрешена к ознакомлению детям школьного возраста. Все практическое использование может быть связана с повышенной электрической опасностью и разрешено детям только под присмотром взрослых.