ZX-Spectrum "ATM Turbo 2+"

 

CP7 1

CP7 1

CP7 2

CP7 2

cp7pcb

cp7pcb

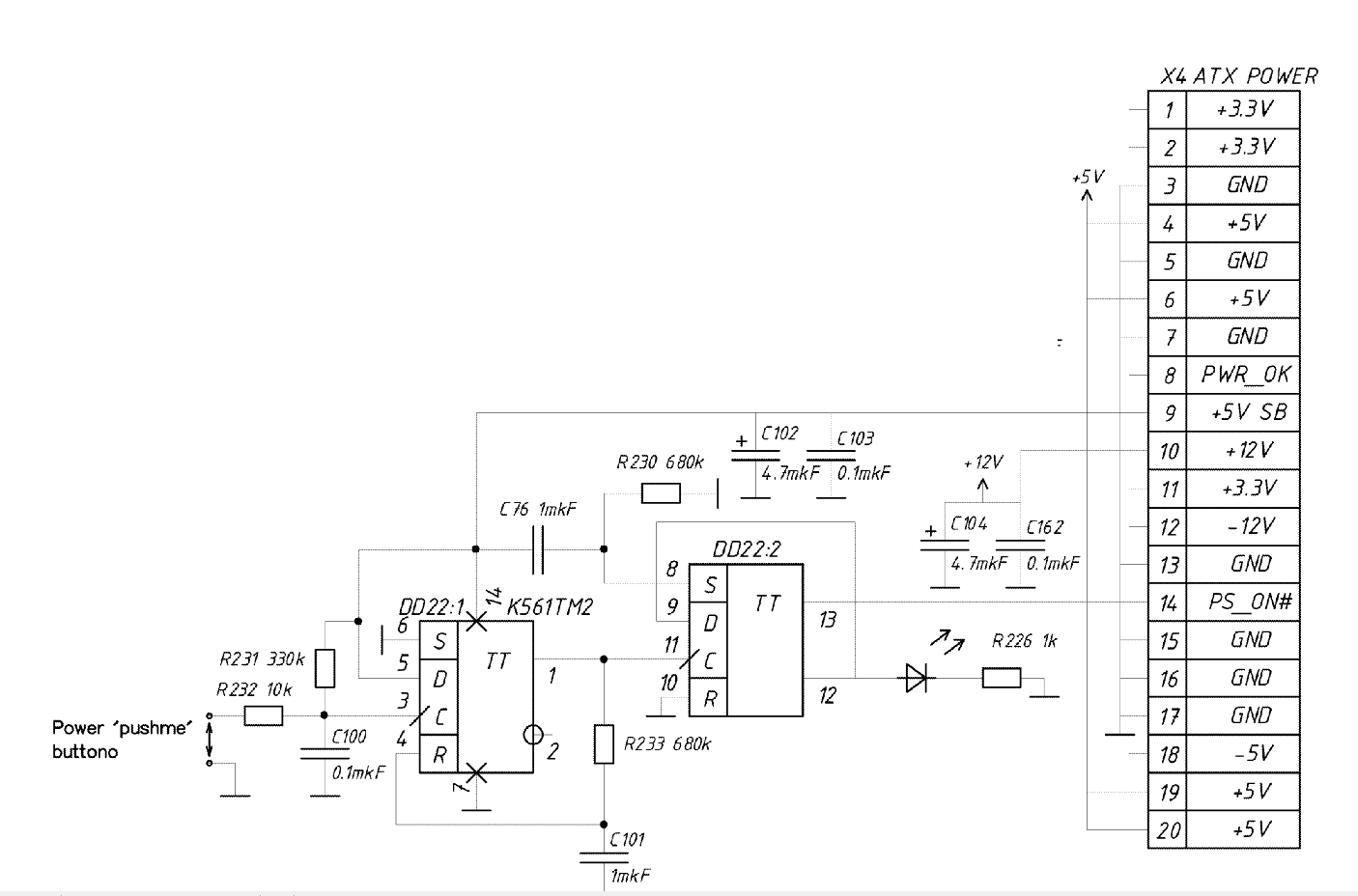
atx

atx

ATM 1024kb chip

ATM 1024kb chip

106427924

106427924

Unit

Russian(Lat)

Russian(Cyr)

USA

D1

Z80

Z80

Z80 (8Mhz or higher)

D61,D65,D37,D79,D82,D38

555LI1

555ЛИ1

74(LS,ALS,HCT,ACT)08

D63,D67,D72,D83,D98

1533LL1

1533ЛЛ1

74(ALS,HCT,ACT)32

D3,D4,D14,D49,D50,D55,D109

1533TM9

1533ТМ9

74(ALS,HCT,ACT)174

D15,D29,D32,D33, D40-D44,D51,D99

555IR23

555ИР23

74(ALS,HCT,ACT)374

D10,D11,D13,D52,D59,D64,D77

1533KP11

1533КП11

74(ALS,HCT,ACT)257

D36,D60,D76,D80

555LN1

555ЛН1

74(LS,ALS,HCT,ACT)04

D23,D35,D45,D108

555AP5

555АП5

74(LS,ALS,HCT,ACT)244

D53,D54,D22,D26,D75

155RU2

155РУ2

7489 (74F189)

D5,D6,D9,D39,D62,D90,D110

1533IE10

1533ИЕ10

74(ALS,HCT,ACT)161

D18-D21,D92

1533KP12

1533КП12

74(ALS,HCT,ACT)253

D47,D48,D91

555IR16

555ИР16

74(LS,ALS,HCT,ACT)295

D16,D17,D31,D93

555ID7

555ИД7

74(LS,ALS,HCT,ACT)138

D34,D87,D97,D102

555AP6

555АП6

74(LS,ALS)245

D68,D69,D71,D85,D86,D25

555TM2

555ТМ2

74(LS,ALS,HCT,ACT)74

D81

555AG3

555АГ3

74(LS,ALS,HCT,ACT)123

D46,D96

555KP13

555КП13

74(LS,ALS,HCT,ACT)298

D24,D78

555LA2

555ЛА2

74(LS,ALS,HCT,ACT)30

D95

555TM8

555ТМ8

74(LS,ALS,HCT,ACT)175

D66

555LP5

555ЛП5

74(LS,ALS,HCT,ACT)86

D88,D103

555ID4

555ИД4

74(LS,ALS,HCT,ACT)155

D70

555LP8

555ЛП8

74(LS,ALS,HCT,ACT)125

D73

555LA3

555ЛА3

74(LS,ALS,HCT,ACT)00

D58

531LN1

531ЛН1

74(F,ALS)04

D28

155IR17

155ИР17

74504

D84

155LN3

155ЛН3

7406,7416

D57

AY

 

AY8912,AY8910,YM2149

D74

561LN2

561ЛН2

CD4049

D7,D8

561IE10

561ИЕ10

CD4520

DA5

561KP2

561КП2

CD4051

D100

1816VE31

1816ВЕ31, 1830ВЕ31

8031,80C31 without ROM

AT89C51,AT89C52 with ROM

D104

170UP2

170УП2

75154

D105,D106

170AP2

170АП2

75150

D89

1818VG93

1818ВГ93

WD1793

D12

1556HL8

1556ХЛ8

-

D94,D101

573RF2

573РФ2, 573РФ5

2716,27C16,28C16

D2

27512,271000

 

27512, 271000, 27C512, 27C010, 29C010, 29F010

RU1-RU16

565RU7

565РУ7

MB81256, HM50256P, MN41256,

D41256C, MSM41256, KM41256, LH21256, TMS4256, TMM41256

DA1,DA3

572PA1

572ПА1

AD7520, AD7530, AD7533

DA7

521SA3

521СА3

LM111, LM211, LM311

DA2,DA4,DA6

574UD2

574УД2

TL082(pin incompatible refer with scheme), OPA2604(pin incompatible refer with scheme)

DA3A

1108PA1

1108ПА1

HI562

VD1-VD8,VD28-VD34,

VD41,VD42,VD45,VD49,VD50

KD521

КД521

1N4148

VT2,VT4,VT6

KT972(KT815)

КТ972

BD875, BD139

VT1,VT5,VT7

KT973(KT814)

КТ973

BD876, BD140

VT3

KT315

КТ315

2N2712, 2N2926, 2SC380, 2SC388

 

  • all chips in DIP package
  • diodes in DO-35 glass case
  • transistors in TO-126 (except VT3) and VT3 in TO-92

 

Вся информация, предоставленная на данном ресурсе разрешена к ознакомлению детям школьного возраста. Все практическое использование может быть связана с повышенной электрической опасностью и разрешено детям только под присмотром взрослых.