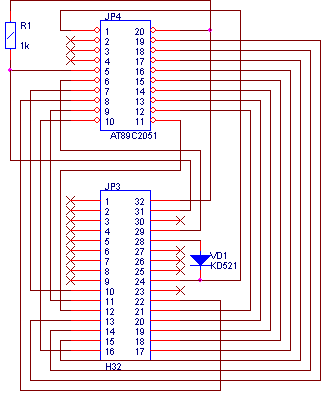
Адаптеры для прогромматора TURBO
Ratings
(0)
SOL
CMP
3C PRN
ASS
AD A1
AD M1
AD P1
Гер Штырлиц
25 мая 2023
Просмотров: 325
Обсудить эту статью
Войдите, чтобы комментировать
Вы здесь:
Главная
Cхемы
Компьютеры и периферийные устройства
Адаптеры для прогромматора TURBO
Поиск
Sign In
Главная
Cхемы
Программы
Библиотека
Форум
Справочный лист
Советы
Обзоры
Это интересно
Cсылки
Вся информация, предоставленная на данном ресурсе разрешена к ознакомлению детям школьного возраста. Все практическое использование может быть связана с повышенной электрической опасностью и разрешено детям только под присмотром взрослых.