Самый простой радиомодем для ПК

Данная схема радиомодема в большом количестве "валяется" по всему Интернету, но я всё-таки повторюсь. Данный радиомодем до ужаса прост в создании и эксплуатации, чем интересен не только начинающим радиолюбителям. Несмотря на простоту, он работает на скоростях до 9600 бод.

Для работы с данным радиомодемом достаточно 286/16Mhz компьютера с соответствующим программным обеспечением, трансивер УКВ ли КВ диапазона, имеющего гнездо управления PTT.

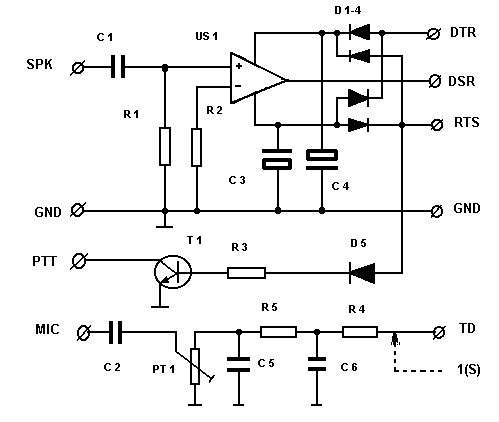
Данный модем подключается к порту RS-232 и питается непосредственно от него (сигналы RTS и DTR) и не требует дополнительного питания операционного усилителя. Диодный мост служит для обеспечения питанием в не зависимости от потенциалов на контактах RTS (Request to Send) и DTR (Data Terminal Ready).

На вход операционного усилителя подаётся НЧ сигнал с выхода трансивера. Минимальный уровень данного сигнала должен быть не менее 100 мВ. Выходной сигнал с операционного усилителя поступает на контакт DSR (Data Set Ready).

При передачи на соответствующий вход трансивера подаётся сигнал PTT. Положительное напряжение с линии RTS переводит транзистор Т1 в насыщенное состояние. В это время на микрофонный вход передатчика подаётся сигнал TD (Transmitteg Data), что становится причиной модуляции несущей. Цифровой сигнал при помощи RC фильтра меняется на синусоидальный, а потенциометр РТ1 помогает установить на выходе соответствующую амплитуду сигнала в зависимости от чувствительности микрофонного входа передатчика.

Весь радиомодем монтируется внутри пластикового корпуса переходника HD25/HD9 (мама-папа) с использованием печатной платы на рисунках сверху. Необходимые радиодетали:

Обсудить эту статью на форуме (0 ответов).
Вся информация, предоставленная на данном ресурсе разрешена к ознакомлению детям школьного возраста. Все практическое использование может быть связана с повышенной электрической опасностью и разрешено детям только под присмотром взрослых.