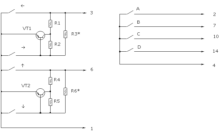
Джойстик для РС

 

 

 

 

 

 

VT1,VT2 - KT361, KT3107 и т.д.
R1,R2,R4,R5 - 100K
R3,R6 - ~300К, ими осуществляется подстройка на центр.

 

 

 

 

 

 

 

 

 

 

 

Обсудить эту статью на форуме (0 ответов).
Вся информация, предоставленная на данном ресурсе разрешена к ознакомлению детям школьного возраста. Все практическое использование может быть связана с повышенной электрической опасностью и разрешено детям только под присмотром взрослых.