ИК-порт для компьютера (IrDA)

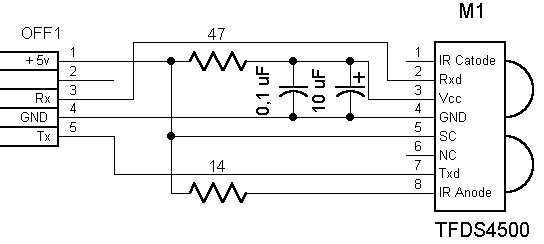
Рис 1. Принципиальная схема и внешний вид ИК-портаПротокол IrDA (Infra red Data Assotiation) позволяет соединяться с периферийным оборудованием без кабеля при помощи ИК-излучения. Порт IrDA позволяет устанавливать связь на небольшом расстоянии в режиме точка-точка. Интерфейс IrDA использует узкий ИК-диапазон (850_900 nm) с малой мощностью потребления, что позволяет создать недорогую аппаратуру и не требует сертификации FCC (Федеральной Комиссии по Связи).
Порт IrDA основан на архитектуре коммуникационного СОМ-порта ПК, который использует универсальный асинхронный приемо-передатчик UART (Universal Asynchronous Receiver Transmitter) и работает со скоростью передачи данных 2400-115200 bps, обеспечивая устойчивую полудуплексную связь.

Подключается ИК-порт непосредственно к материнской плате, в большинсктве случаев распиновка на плате соответствует схеме и описана в документации на плату, в случае не совпадения выводов их легко переставить. После установки необходимо включить в BIOS поддержку инфракрасного порта. ("Chipset Features Setup" -> "UART2 Use Infrared" -> "Enabled"). Если используется операционная система Windows 9X, то она сама установит необходимые для работы драйвера.

Обсудить эту статью на форуме (0 ответов).
Вся информация, предоставленная на данном ресурсе разрешена к ознакомлению детям школьного возраста. Все практическое использование может быть связана с повышенной электрической опасностью и разрешено детям только под присмотром взрослых.