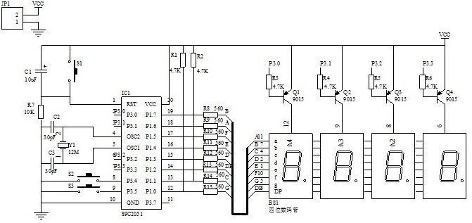
Часы на AT89C2051
Ratings
(17)
UT80aijXtXaXXagOFbXS
lay1
lay2
Пршивка , плата
Гер Штырлиц
19 апреля 2016
Просмотров: 13598
Обсудить эту статью
Войдите, чтобы комментировать
Обсудить эту статью на форуме (0 ответов).
Вы здесь:
Главная
Cхемы
Электроника в быту
Часы на AT89C2051
Поиск
Sign In
Главная
Cхемы
Программы
Библиотека
Форум
Справочный лист
Советы
Обзоры
Это интересно
Cсылки
Вся информация, предоставленная на данном ресурсе разрешена к ознакомлению детям школьного возраста. Все практическое использование может быть связана с повышенной электрической опасностью и разрешено детям только под присмотром взрослых.