Дистанционный выключатель электроприборов

Иногда возникает необходимость в дистанционном выключателе различных электроприборов, причем сам выключатель должен иметь надежную гальваническую развязку от сети, т.е. быть безопасным. Подобные требования справедливы, скажем, при управлении осветительными лампами в помещениях с повышенной влажностью. Применение в этих условиях электромагнитных реле нежелательно из-за их низкой надежности. Выход из положения - предлагаемый электронный выключатель.
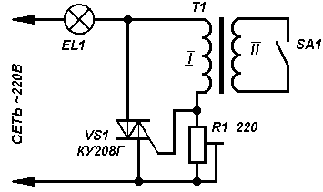
В нем использован симметричный тиристор - симистор, что позволило коммутировать переменное напряжение, не применяя выпрямительные диоды, необходимые для тиристорных устройств. Управляют работой симистора выключателем SA1 через маломощный трансформатор T1. При этом используется свойство симистора открываться при подаче на его управляющий электрод напряжения той же полярности, что и на аноде. Вот почему обмотка I трансформатора включена между анодом и управляющим электродом.Если контакты выключателя разомкнуты, через обмотку I протекает небольшой ток холостого хода. Напряжения на резисторе R1 недостаточно для открывания симистора, нагрузка - осветительная лампа EL1 - обесточена.Когда контакты выключателя замыкают, обмотка II оказывается в режиме короткого замыкания. При этом ток в обмотке I резко возрастает, а значит, увеличивается падение напряжения на резисторе. Симистор будет открываться в начале каждого полупериода сетевого напряжения, нагрузка окажется под током. Трансформатор в таком режиме перегружаться не будет, поскольку после открывания симистора напряжение на нем уменьшается до 2 В и в обмотке II протекает незначительный ток.В устройстве желательно применить трансформатор с напряжением на вторичной обмотке 8...10 В при протекании через первичную тока 0,2...0,4 А. Ток холостого хода не должен превышать 10 мА. Подобный трансформатор можно позаимствовать из сетевого адаптера, применяемого для питания плейеров, микрокалькуляторов, транзисторных радиоприемников. Предпочтительнее использовать трансформатор с обмотками, намотанными в разных секциях каркаса, - это повысит электробезопасность устройства. Симистор может быть, кроме указанного на схеме, КУ208В. Если мощность нагрузки не превышает 250 Вт, теплоотвод не понадобится, при большей мощности симистор придется установить на теплоотвод. Максимальная мощность нагрузки не должна превышать 1,1 кВт. Подстроечный резистор - СПО, СП4 или другой. Им устанавливают режим надежного открывания симистора.Симистор, трансформатор и резистор допустимо располагать на удалении нескольких метров от помещения, в котором установлены выключатель и нагрузка (например, осветительные лампы). Для удобства управления нагрузкой можно подключить параллельно вторичной обмотке трансформатора несколько выключателей.

Обсудить эту статью на форуме (0 ответов).
Вся информация, предоставленная на данном ресурсе разрешена к ознакомлению детям школьного возраста. Все практическое использование может быть связана с повышенной электрической опасностью и разрешено детям только под присмотром взрослых.