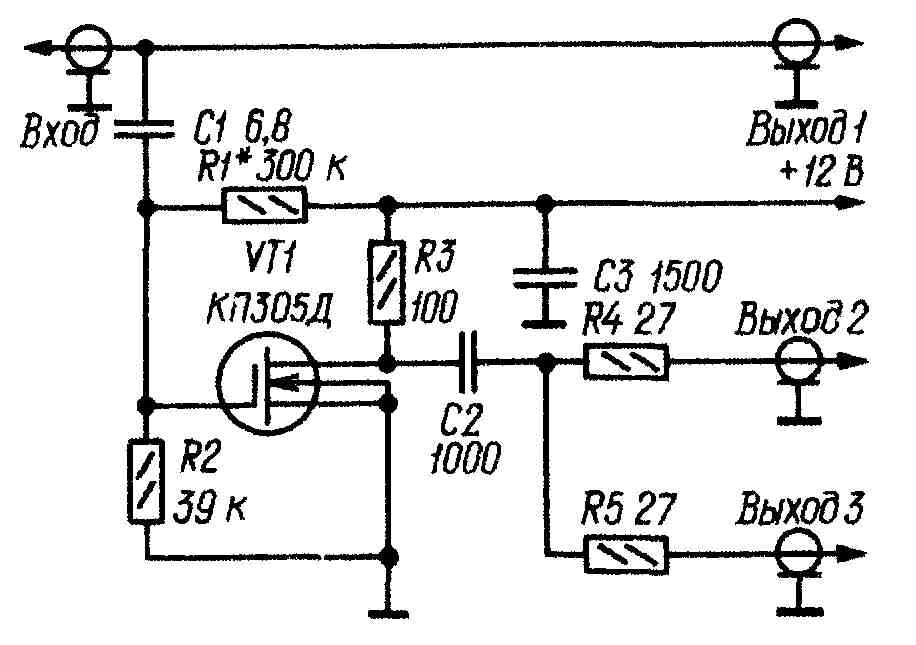
Активный ответвитель ТВ сигнала

Если необходимо подключить к фидеру телевизионной антенны два-три телевизора, целесообразно использовать активный ответвитель на полевом транзисторе (см. рисунок). Он практически не вносит рассогласования в фидер и в то же время обеспечивает выходной сигнал, достаточный для нормальной работы телевизора. Устройство представляет собой апериодический усилитель РЧ с высокоомным входом и согласованным с 75-омным кабелем выходом Полевой транзистор VT1 включен по схеме с общим истоком. Режим его работы задан напряжением на затворе, снимаемым с делителя R1R2 Входной сигнал поступает в цепь затвора через конденсатор небольшой емкости С1, усиленный сигнал снимается со стока и через конденсатор С2 и резисторы R4, R5 подается на антенные входы телевизоров. При монтаже детали входной и выходной цепей усилителя необходимо расположить по разные стороны от транзистора С фидером (на рисунке — линия связи Вход - Выход "1" 

устройство соединяют следующим образом: удалив небольшой участок изолирующей оболочки кабеля, надрезают оплетку и изоляцию внутренней жилы, после чего к последней припаивают конденсатор С1 (его выводы необходимо укоротить до минимально возможной длины), а к оплетке — общий провод ответвителя. Требуемый уровень выходного сигнала устанавливают подбором резистора R1 (на практике — до получения тока стока в пределах 5...7 мА) Как показали испытания, ответвитель хорошо работает во всех 12 каналах метрового диапазона волн. Взаимного влияния телевизоров, подключенных к основному фидеру и выходам ответвителя, не обнаружено. Для питания устройства необходим источник с малым напряжением пульсаций (при недостаточной фильтрации на экране телевизора может наблюдаться помеха в виде неподвижной или перемещающейся горизонтальной полосы).

Обсудить эту статью на форуме (0 ответов).
Вся информация, предоставленная на данном ресурсе разрешена к ознакомлению детям школьного возраста. Все практическое использование может быть связана с повышенной электрической опасностью и разрешено детям только под присмотром взрослых.