Электронный кодовый замок из четырех цифр

 

 

 

 

 

 

 

 

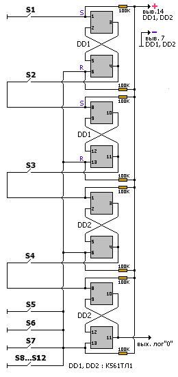
Простую схему электронного кодового замка комбинации из четырёх кнопок можно собрать на двух микросхемах по схеме RS триггера. Благодаря использованию КМОП микросхем, данная схема потребляет ток в режиме ожидания еденицы микроампер и работает в диапазоне напряжения от 3х до 18 вольт. Схема собрана на двух микросхемах К561ТЛ1 либо аналог CD4093 A-B . Четыре RS триггера работают по принципу последовательного включения . Комбинация замка соответствует нажатию последовательно кнопок S1,S2,S3,S4 и на выв. 9-11 DD2 появляется лог."0". При неправильной последовательности набора кода, либо нажатии на кнопки S5-S12 все триггеры переключаются в исходное состояние. Схема также исключает возможность срабатывания, если нажать на все кнопки, т.к. триггеры перейдут в запрещающий режим. В схеме подключены резисторы по входам R и S для стабильной работы триггеров, а также исключение срабатывания на статическое напряжение. Они необходимы, их сопротивление должны быть приблизительно одинаковыми. Для стабильной работы схемы , питание должно быть постоянно. На выв. 9-11 DD2 можно подключить через резистор транзистор p-n-p и исполнительное устройство, либо формирователь импульса для привода автомобильного центрального замка.

 

 

 

 

 

 

 

 

 

 

 

 

 

 

 

 

 

 

 

 

 

Обсудить эту статью на форуме (0 ответов).
Вся информация, предоставленная на данном ресурсе разрешена к ознакомлению детям школьного возраста. Все практическое использование может быть связана с повышенной электрической опасностью и разрешено детям только под присмотром взрослых.