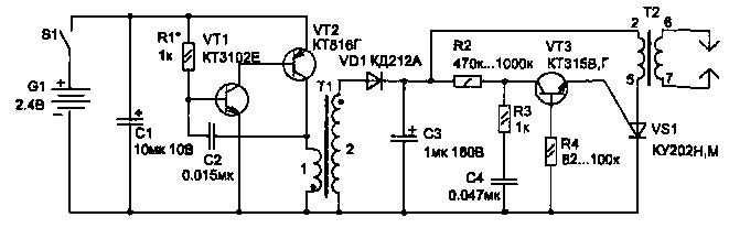
В журналах приведено много схем для самостоятельного изготовления аналогичных по назначению устройств, однако, как показывает опыт, наибольшую сложность при изготовлении таких устройств представляет намотка высоковольтной катушки так, чтобы не было пробоя у нее внутри, а также изготовление красивого корпуса. Приводимая ниже схема и конструкция легко решает эти проблемы. Электрическая схема содержит только унифицированные и
легко доступные детали, в том числе и высоковольтную катушку Т2, в качестве
которой применен трансформатор строчной развертки от черно-белых миниатюрных
телевизоров ТВС-70П1. Рис. 1.25 Трансформатор Т1 выполнен на кольцевом ферритовом магнитопроводе М2000НМ1 типоразмера К16х10х4,5 мм. Обмотка 1 содержит 10 витков, 2 — 650 витков проводом ПЭЛШО-0,12. Используются конденсаторы:С1, СЗ типа К50-35; С2, С4 типа К10-7 или аналогичные малогабаритные. Диод VD1 можно заменить на КД102А, Б. S1 — микровключатель типа ПД-9-2. Тиристор можно использовать любой, с рабочим напряжением не менее 200 В. Трансформаторы Т1 и Т2 крепятся к плате клеем.Вся схема вместе с двумя элементами питания А316 или аккумуляторами НКГЦ-0,45 легко размещается в пачке от сигарет с жестким каркасом(типа СТОЛИЧНЫЕ)
Разрядная камера располагается между двумя жесткими проводами
диаметром 1...2 мм на расстоянии 80...100 мм от корпуса. Искра между
электродами проходит на расстоянии 3...4 мм. |
Электрическая зажигалка для газа
Doc
Просмотров: 6616