Мягкий свет

Достоинства включения обычной лампы накаливания по схеме "Мягкий свет":

- отсутствует мерцание лампы, неблагоприятно влияющее на состояние глаз

- срок службы лампы возрастает в несколько раз

- схема проста, надёжна в изготовлении и не содержит дефицитных и дорогих деталей.

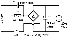
Схему удобно разместить в корпусе торшера или светильника, если в них есть свободные пространства. При подаче напряжения конденсатор C2 заряжается в течение 0,4...1 секунды ( в зависимости от ёмкости С2 ) т.е. нить накала лампы разогревается плавно и сгореть от броска тока не может. VD1 - VD4 можно заменить на КД206Б, КД210Б, КД243Д, КД209Б, Д247. С2 - 100...330 мF на напряжение 350...400 в. С1 на напряжение не менее 300 в и подбирается экспериментально в зависимости от мощности лампы накаливания.

Обсудить эту статью на форуме (0 ответов).
Вся информация, предоставленная на данном ресурсе разрешена к ознакомлению детям школьного возраста. Все практическое использование может быть связана с повышенной электрической опасностью и разрешено детям только под присмотром взрослых.