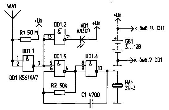
Резистор R1 нужен для защиты микросхемы К561ЛА7 от повышенного напряжения статического электричества, но, как показала практика, его можно и не ставить. Антенной является кусок обычного медного провода любой толщины. Главное, чтобы он не прогибался под собственным весом, т.е. был достаточно жестким. Длина антенны определяет чувствительность устройства. Наиболее оптимальной является величина 5...15 см. При приближении антенны к электропроводке детектор издает характерный треск.
|
В цепи светодиода VD1 токоограничивающего резистора нет. так как микросхема DD1 (К561ЛА7) с этой функцией хорошо справляется сама. Если входные токи элемента D 1.1 позволяют, то убрав резистор R1 из схемы, изображенной на рис.2, мы получим устройство, реагирующее на изменение статического потенциала в окружающем пространстве. Для этого антенну WA1 делают длиной 50...100 см. используя любой провод. Теперь устройство будет реагировать на движение человеческого тела. Положив такое устройство в сумку, получим автономное охранное устройство, выдающее световые и звуковые сигналы, если с сумкой или около нее происходят какие-либо манипуляции.
|
Детектор скрытой проводки
Doc
Просмотров: 7015

