Акустическое реле

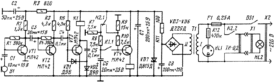
Датчиком автомата является капсюль В1, например ТА-4 или от головных телефонов ТОН-2. Электрический сигнал, полученный в результате преобразования звукового, поступает с датчика на трехкаскадный усилитель, выполненный на транзисторах VT1-VT3, после усиления детектируется и в виде постоянного тока управляет электронным реле, собранным на транзисторе VT4. Срабатывает электромагнитное реле К1 и подает напряжение с заряженного конденсатора С6 на базу транзистора VT4. При этом срабатывает реле К2 и подключает контактами К2.1 источник питания к базовой цепи транзистора VT4 (что равносильно самоблокировке реле К2), а контактами К2.2 -- лампу-ночник HL2. Теперь после прекращения звукового сигнала контакты К1.1 разомкнутся и конденсатор С6 разрядится через резисторы R8 и R7. Когда нужно погасить лампу, вновь подают звуковой сигнал, например хлопают в ладоши. Реле К1 срабатывает вновь, но теперь его контакты К1.1 подключают к базе транзистора VT4 разряженный конденсатор С6. Поскольку конденсатор в этот момент представляет небольшое сопротивление, он замыкает базу на общий провод и реле К2 отпускает, лампа-ночник выключается. Питается автомат от сети переменного тока через понижающий трансформатор Т1. К его вторичной обмотке подключен двухполупериодный выпрямитель на диодах VD3-VD6, после которого следует простейший стабилизатор на стабилитроне VD7. Сигнализатором включения автомата в сеть служит неоновая лампа HL1. Яркость ее свечения зависит от сопротивления резистора R12. Транзисторы VT1-VT3 могут быть серий МП39-МП42 со статическим коэффициентом передачи тока не менее 30, VT4-ГТ403А, ГТ403Б: Диоды VD1, VD2-Д2, Д9 с любым буквенным индексом, VD3-VD7 - любые из серий Д226. Резисторы МЛТ-1 (R11), МЛТ-0,5 (R12) и МЛТ-0,25 (остальные). Конденсаторы С1-СЗ, С6- С8-К50-6; С4, С5-МБМ. Реле К1 и К2-РЭС-9, паспорт РС4.524.200 или другие, срабатывающие при напряжении не более 11 В. Если реле срабатывают при большем напряжении, приходится заменять стабилитрон Д815Д на Д815Е. Трансформатор выполнен на магнитопроводе сечением 3,5 см. Обмотка I содержит 2580 витков провода ПЭВ-1 0,15, обмотка II - 190 витков ПЭВ-1 0,3- Подойдет и готовый трансформатор небольшой мощности (не менее.5 Вт) с напряжением на вторичной обмотке 15...18*В.

 

Обсудить эту статью на форуме (0 ответов).
Вся информация, предоставленная на данном ресурсе разрешена к ознакомлению детям школьного возраста. Все практическое использование может быть связана с повышенной электрической опасностью и разрешено детям только под присмотром взрослых.