Автомат для полива цветов

Работа некоторых людей связана с частыми командировками. Но как быть, если вы любитель комнатных растений, и ваша квартира напоминает оранжерею. Конечно, есть родственники и знакомые, которые могут поливать цветы в ваше отсутствие, но, как правило, они очень часто забывают это делать, особенно если это молодые люди, увлеченные своими проблемами, очень далекими от "домашней ботаники". Поэтому цветы поливаются не регулярно, или нужно все время звонить и напоминать об этом, вызывая всеобщее раздражение. А если, вы всей семьей отправились "на недельку до второго" на дачу, или уехали по турпутевке в отпуск? Поручить работу по поливу ваших растений можно несложному автомату, который регулярно и педантично будет выполнять свою работу, каждое утро (или вечер) поливая цветы заготовленным вами заранее раствором (или просто водой из резервуара).

nowradio.nm.ru__av-cv

nowradio.nm.ru__av-cv
 

 

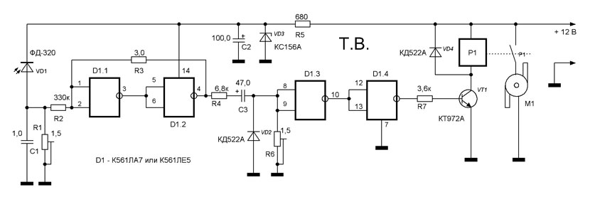
Фотодиод VD1 определяет внешнюю освещенность. В ночное время его сопротивление велико и на выходе триггера Шмитта D1.1-D1.2 - лог. ноль. С3 разряжен и на выходе D1.4, так же, ноль. Ключ на VT1 закрыт и реле обесточено. Утром, когда освещенность увеличи­вается выше заданного резистором R1 порога, сопротивление VD1 уменьшается так, что триггер  Шмитта D1.1-D1.2 переходит в состояние лог. единицы. Цепь C3-R6 формирует импульс длительностью в несколько секунд (устанавливается резистором R6), который усиливается элементами D1.3-D 1.4 и подается на ключ VT1. Реле замыкает контакты и подает питание на насос М1, который качает жидкость из резервуара по системам пластиковых трубок (кембриков) в цветочные горшки. Сколько будет накачено жидкости, зависит от продолжительности работы насоса, то есть, от сопротивления резистора R6. На следующий день процесс повторяется. Если нужно, чтобы полив происходил не утром, а вечером, - можно просто поменять местами VD1 и R1. Теперь полив будет происходить после того, как стемнеет. Большинство деталей, кроме реле и насоса, собрано на малогабаритной печатной плате из фольгированного гетинакса. Фото­диод вынесен с платы посредством двухпроводного кабеля длиной около 20 см, он расположен на окне и "смотрит" на солнце. А плата размещена в пластмассовой коробочке и закреплена под подоконником (чтобы не перегревалась от солнца). В качестве насоса используется электронасос омывателя стекла автомобиля ВАЗ-2108. Можно использовать практически любой автомобильный насос омывателя. Насос располагается на деревянной доске, на которой он жестко закреплен. Доску устанавливают наверх ведра, в котором налит раствор для полива (или вода). К приемному патрубку "насоса" подсоединен шланг, опущенный в это ведро, не доходя2-3 см до его дна (чтобы не "тянуть" осадок), а к выпускному - система шлангов для полива. В качестве шлангов можно использовать изоляционную полихлорвиниловую трубку (кембрик) или пластиковые шланги для омывателей автомобиля. Электромагнитное реле - автомобильное, применяемое на ВАЗ-2108-21099, и многих других отечественных машинах. Сопротивление обмотки такого реле около 100 Ом. Конечно, можно использовать и другое реле, допускающее ток через контакты до 2 А (моторчик омывателя, обычно, потребляет под нагрузкой не более 1А, но бывают и не совсем исправные). Питается устройство от самодельного лабораторного источника. Источник питания нужно выбирать из соображения того, чтобы он обеспечивал, при напряжении 12V, ток в нагрузке, не ниже суммы тока потребления моторчика насоса, обмотки реле, и еще плюс не менее 10-20% (для надежности). Микросхема может быть как "...ЛА7", так и "...ЛЕ5". Серия - К561, К176, К1561, ЭКР561. KA561 и др. аналогичные. Можно использовать вообще любую КМОП микросхему, указанных серий, в которой есть не менее 4-х инверторов, например, К561ЛН2, но это требует переделки рисунка платы. Фотодиод может быть любым, применяемым в системах ДУ (кроме интегральных фотоприемников, которые не годятся), а так же, его можно заменить и фоторезистором или фототранзистором. В случае замены, возможно, понадобится выбрать R1 с другим максимальным сопротивлением. Стабилитрон КС156 можно заменить любым стабилитроном на 5-10V. Остальные элементы - любого типа, малогабаритные. Налаживание заключается в установке подстроечным резистором R1 порога срабатывания светового детектора, а резистором R6 - продолжительности полива.

Обсудить эту статью на форуме (0 ответов).
Вся информация, предоставленная на данном ресурсе разрешена к ознакомлению детям школьного возраста. Все практическое использование может быть связана с повышенной электрической опасностью и разрешено детям только под присмотром взрослых.