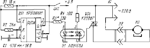
Автомат периодического включения нагрузки

 В домашнем обиходе нередко приходится сталкиваться с ситуацией, когда электробытовые приборы должны работать в периодическом режиме. Без этого, например, электронагреватель может перегреть обслуживаемый объект, а вентилятор ≈ создать неприятное ощущение сквозняка. Современные элементы радиоэлектроники позволяют легко решить названную выше проблему. Cхема автомата такого назначения изображена на рисунке. В него входят работающий в режиме мультивибратора таймер КР1006ВИ1 ≈ DD1 [1], симисторный оптрон АОУ160А ≈ U1 [2] и силовой выключатель на симисторе ≈ VS1. Функции управляемой нагрузки выполняет двигатель М1 электровентилятора. Конденсатор С1 с подключенными к нему резисторами образует времязэдающую цепь, определяющую длительность включенного и выключенного состояния нагрузки.

Работает это устройство следующим образом. При подаче питания на микросхему DD1 начинает заряжаться конденсатор С1 и в результате на выводе 3 DD1 появляется напряжение, близкое к напряжению питания. По окончании зарядки С1 внутри микросхемы DD1 открывается транзистор, связывающий ее седьмой и первый выводы, вследствие чего конденсатор С1 разряжается через резистор R2. После этого цикл работы прибора повторяется. Напряжение, близкое к напряжению питания, периодически возникающее на выходе микросхемы DD1, через токоограничивающий резистор R3 поступает на светодиод, находящийся в управляющей цепи оптрона U1. Под влиянием излучаемой им световой энергии входящий в состав оптрона симистор переходит в проводящее состояние и открывающийся вследствие этого силовой симистор VS1 включает двигатель М1. Важнейшая функция оптрона, рассчитанного на напряжение между входной и выходной цепью около 1500 В ≈надежная электрическая изоляция входной и выходной цепей. До появления подобных электронных узлов задачу разделения цепей решали с помощью громоздких электромагнитных реле. Тринистор VS1 с двусторонней проводимостью открывается с началом каждого полупериода сетевого напряжения, пока присутствует сигнал на выходе микросхемы DD1 и горит светодиод оптрона. Мощность управляемой нагрузки определяется допустимой величиной тока симистора VS1. Сама микросхема DD1 и светодиод оптрона при напряжении питания 6 В потребляет ток порядка 8... 12 мА, поэтому для их питания могут использоваться даже гальванические элементы LR6 (зарубежный стандарт АА).

В автомате применены резисторы МЛТ-0,125 (R1 ≈ R3) и МЛТ-0,5 (R4), конденсатор ≈ К52-1 Б. В качестве выключателя SA1 использован микротумблер МТ1. При указанных на схеме номиналах элементов времязадающей цепи период включения и выключения нагрузки составляет соответственно 0,3 и 0,2 мин. Выбирая иные соотношения номиналов, можно изменять и цикл работы устройства. Сопротивление резистора R3 следует подобрать таким, чтобы при свежей батарее питания ток через светодиод оптрона составлял 10... 12 мА (напомним, что максимально допустимый ток равен 40 мА). При монтаже устройства важно проследить затем, чтобы выходная цепь оптрона и силовой симистор были надежно изолированы от цепей, связанных с микросхемой DD1, и от стенок футляра (если он выполнен из металла). В зависимости от мощности, подключаемой к устройству нагрузки, силовому симистору может потребоваться теплоотвод. В этом случае футляр следует снабдить вентиляционными отверстиями. Для присоединения к автомату электроприбора-нагрузки (в нашем случае двигателя) на его футляре крепится стандартная штепсельная ро-зеткаХ2, которая гибким шнуром с вилкой Х1 включается в сеть.

Обсудить эту статью на форуме (0 ответов).
Вся информация, предоставленная на данном ресурсе разрешена к ознакомлению детям школьного возраста. Все практическое использование может быть связана с повышенной электрической опасностью и разрешено детям только под присмотром взрослых.