Регуляторы (рис. 1,2) позволяют выполнять две функции: автоматически поддерживать заданный уровень освещенности вне зависимости от изменения уровня внешней освещенности и плавно регулировать задаваемый уровень освещенности. Отмеченные свойства регуляторов по
зволяют использовать их для поддержания постоянной освещенности коридорных площадок, при фотопечати, задании теплового (светового) режима в установках производственного и бытового назначения (инкубаторах, аквариумах, теплицах, термо- и фотостатах и т.п. устройствах).
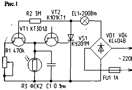
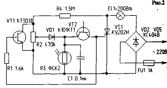
Светоизлучающий элемент (лампа накаливания) мощностью до 200 Вт может быть включен в цепь нагрузки тиристора по постоянному току (рис.1, 2) либо по переменному - в разрыв сетевого провода.
Управление работой тиристора осуществляется от релаксационного RC-генератора, выполненного на лавинном транзисторе VT2 (К101КТ1). В начальный момент времени заряд конденсатора С1 осуществляется от положительного полупериода напряжения, снимаемого с анода тиристора VS1 через резистор R2 и транзистор VT1 (рис. 1) или резисторы R2 и R4 и диод VD1 (рис. 2). Параллельно конденсатору С1 подключено сернистокалиевое фотосопротивление типа ФСК-2, сопротивление которого в темноте превышает 3 МОм. Таким образом, если фоторезистор находится в затемненной зоне (при отсутствии оптической связи между светоизлучателем EL1 и фоторезистором R3), последний почти не шунтирует конденсатор С 1. Когда напряжение на обкладках конденсатора превышает 8 В, происходит лавинный пробой транзистора VT2 и разряд конденсатора на управляющий электрод тиристора VS 1. Тиристор на текущий полупериод напряжения сети открывается и на лампу накаливания подается напряжение сети. Для каждого последующего полупериода сетевого напряжения процесс повторяется. На лампе выделяется до 95% подводимой мощности, что характерно для всех типов тиристорных и симисторных регуляторов. Если освещенность фотосопротивления повышать, его сопротивление понижается до 200 и менее кОм. Поскольку фотосопротивление подключено параллельно накопительному конденсатору С1 генератора, его шунтирование приводит к снижению скорости заряда конденсатора и отсрочке момента включения тиристора. В итоге лампа накаливания в каждый полупериод начинает включаться с задержкой, пропорциональной уровню освещенности
в точке нахождения фоторезистора. Соответственно суммарная освещенность стабилизирована на определенном (заданном) уровне. Потенциометр R1, включенный в эмиттерную цепь транзистора VT1 (рис. 1) или R2, подключенный параллельно участку коллектор-эмиттер транзистора VT1 (рис. 2), предназначены для задания максимального уровня освещенности и озволяют плавно регулировать указанный уровень.
При необходимости устройство может быть преобразовано в терморегулятор, работающий по подобному принципу. При монтаже устройства следует располагать фоторезистор таким обрзом, чтобы свет от лампы накаливания напрямую не попадал на рабочую площадку фоторезистора, т.к. в противном случае возможно возникновение генерации вспышек света, частота которых явление (оптической обратной связи) может быть использовано для генерации импульсов света, определения расстояния между отражающим покрытием и излучателем/приемником света, в различных радиоэлектронных устройствах.