Электрошоковое средство защиты

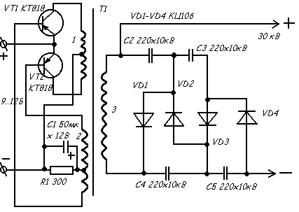
Основу прибора составляет преобразователь постоянногонапряжения (рис.). На выходе прибора применен умножитель напряжения на диодах КЦ-106 и конденсаторах 220 пФ х 10кВ. Питанием служит 10 аккумуляторов Д-0,55. С меньшим- результат чуть хуже. Можно применять и батареи "Крона" или "Корунд". Важно иметь 9-12вольт. Аккумуляторы удобны только тем, что их можно заряжать.

Очень важным элементом является трансформатор, который изготовлен из ферритового сердечника (ферритовый стержень от радиоприемника диаметром 8мм), но эфективней работал трансформатор из феррита от ТВС- из "П"- образного изготовле брусок.
Правила намотки высоковольтной обмотки взяты из журнала "Радио" №1 за 1992 год ("Электрическая спичка")- через каждую тысячу витков прокладывается изоляция. Для межвитковой изоляции применяется лента ФУМ (фторопласт). Другие материалы менее надежны. Экспериментально опробованы изолента, слюда, применен провод ПЭЛШО. Трансформатором служил недолго- обмотки "прошивало".
Корпус изготовлен из пластмассовыой коробки подходящих размеров- пластмассовая упаковка от электропаяльника. Размеры оригенала : 190 х 50 х 40 мм (рис.). В корпусе сделаны перегародки из пластмассы между трансформатором и умножителем, а также между электродами со стороны пайки- меры предосторожности во избежание прохождения искруы внутри схемы (корпуса), что также предохраняет трансформатор. С наружней части под электродами расположены небольшие "усики" из латуни для уменьшения расстояния между ними. В данной конструкции расстояние между электродами- 30 мм, а длинна короны- 20мм. Искра образуется и без "усов"- между электродами, но есть опасность пробоя трансформатора, образования ее внутри корпуса. Идея "усов" взята из фирменных моделей.

Во избежание самовключения при ношении целесобразнее применять выключатель движкового типа.
Хочется предупредить радиолюбителей о необходимости осторожного обращения с изделием как в период конструирования и наладки, так и с готовым аппаратом. Помните, что он направлен против хулигана, преступника, но в тоже время против человека. Превышение пределов необходимой обороны наказывается по закону.
Примечание: 1- 2 х 14 диам. 0,5- 0,8
2- 2 х 6 диам. 0,5- 0,8
3- 5-8 тыс. диам. 0,15-0,25.

Из книги В.В. Бессонова, "Электроника для начинающих", выпуск №6.

Обсудить эту статью на форуме (0 ответов).
Вся информация, предоставленная на данном ресурсе разрешена к ознакомлению детям школьного возраста. Все практическое использование может быть связана с повышенной электрической опасностью и разрешено детям только под присмотром взрослых.