Электронные часы

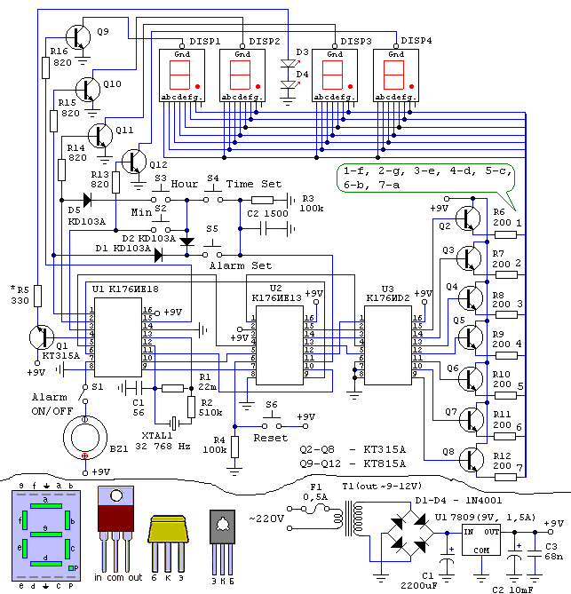
Данные часы собранны на хорошо известном комплекте микросхем - К176ИЕ18 (двоичный счетчик для часов с генератором сигнала звонка), К176ИЕ13 (счетчик для часов с будильником) и К176ИД2 (преобразователь двоичного кода в семисегментный). Поэтому на рассказе о работе этих микросхем я решил не останавливаться.  

 

http://www.radio-portal.ru/https://server.radio-portal.su/cache/CLOCK2_images_stories_pictures_thumb_medium600_0.png

http://www.radio-portal.ru/images/stories/pictures/CLOCK2.png
При включении питания в счетчик часов, минут и в регистр памяти будильника микросхемы U2 автоматически записываются нули. Для установки времени следует нажать кнопку S4 (Time Set) и придерживая ее нажать кнопку S3 (Hour) - для установки часов или S2 (Min) - для установки минут. При этом показания соответствующих индикаторов начнут изменяться с частотой 2 Гц от 00 до 59 и далее снова 00. В момент перехода от 59 к 00 показания счетчика часов увеличатся на единицу. Установка времени будильника происходит так же, только придерживать нужно кнопку S5 (Alarm Set). После установки времени срабатывания будильника нужно нажать кнопку S1 для включения будильника (контакты замкнуты). Кнопка S6 (Reset) служит для принудительного сброса индикаторов минут в 00 при настройке. Светодиоды D3 и D4 играют роль разделительных точек, мигающих с частотой 1 Hz. Цифровые индикаторы на схеме расположены в правильном порядке, т.е. сначала идут индикаторы часов, две разделительные точки (светодиоды D3 и D4) и индикаторы минут.


В часах использовались резисторы R6-R12 и R14-R16 ваттностью 0,25W остальные - 0,125W. Кварцевый резонатор XTAL1 на частоту 32 768Hz - обычный часовой (лучше "совковый" в виде лодочки, импортный желательно не ставить, т.к. они не очень точные). Транзисторы КТ315А можно заменить на любые маломощные кремниевые соответствующей структуры, КТ815А - на транзисторы средней мощности со статическим коэффициентом передачи тока базы не менее 40, диоды - любые кремниевые маломощные. Пищалка BZ1 динамическая, без встроенного генератора, сопротивление обмотки 45 Om. Кнопка S1 естественно с фиксацией.


Индикаторы использованы TOS-5163AG зеленого свечения, можно применить любые другие индикаторы с общим катодом, не уменьшая при этом сопротивление резисторов R6-R12. На рисунке Вы можете наблюдать распиновку данного индикатора, выводы показаны условно, т.к. представлен вид сверху.

После зборки часов, возможно, нужно будет подстроить частоту кварцевого генератора. Точнее всего это можно сделать, контролируя цифровым частотомером период колебаний 1 с на выводе 4 микросхемы U1. Настройка генератора по ходу часов потребует значительно большей затраты времени. Возможно, придется также подстроить яркость свечения светодиодов D3 и D4 подбором сопротивления резистора R5, чтобы все светилось равномерно ярко. Потребляемый часами ток не превышает 180 мА.



Часы питаются от обычного блока питания, собранного на плюсовом микросхемном стабилизаторе 7809 с выходным напряжением +9V и током 1,5A. Трансформатор должен быть с выходным напряжением ~9-12V, лучше ~9V, потому что в этом случае падение напряжения на миксросхемном стабилизаторе будет минимальным, соответственно и его нагрев тоже. Это немаловажно для часов, питающихся от сети непрерывно.

Не забудьте поставить микросхемный стабилизатор на небольшой радиатор, сделанный из куска дюралюминиевой пластины. Конденсатор C3 расположите вблизи цепи питания микросхем.

Элементы часов лучше собрать в корпусе, спаянном из стеклотекстолита, и соединить его фольгу с общим проводом питания. Это избавит часы от помех.

Обсудить эту статью на форуме (0 ответов).
Вся информация, предоставленная на данном ресурсе разрешена к ознакомлению детям школьного возраста. Все практическое использование может быть связана с повышенной электрической опасностью и разрешено детям только под присмотром взрослых.