Световой сигнализатор телефонных звонков

Телефонный звонок, исчезающий в шумах помещения или вообще не воспринимаемый плохо слышащим человеком, можно продублировать световым сигналом.

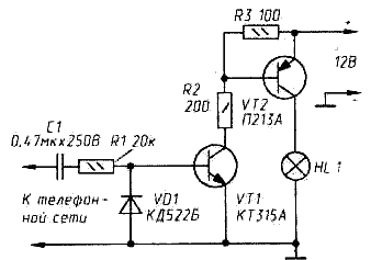
Световой сигнализатор телефонных звонкова рис. 146 приведена принципиальная схема светового сигнализатора. При положительных полуволнах вызывного сигнала (его амплитуда может достигать Uвс=80...100 В) диод VD1 закрыт, в цепи база-эмиттер транзистора VT1 возникает ток Uвс/R1@4...5 мА, открывающий его и транзистор VT2 до насыщения, и включенная в цепь коллектора VT2 лампа накаливания HL1 (напряжение 12В, ток - до 1 А) начинает ярко светиться. Для питания такого сигнализатора потребуется, конечно, довольно мощный источник. Например, аккумуляторная батарея 10НКБН-3,5.

Однако телефонный световой сигнализатор может быть выполнен и в более экономичном варианте. Достаточно лампу накаливания заменить светодиодом высокой яркости*, включив его последовательно с резистором (его сопротивление будет зависеть от цвета светодиода и напряжения источника питания) в коллекторную цепь транзистора VT1. Напряжение питания сигнализатора с красным светодиодом может быть снижено до 3 В, с голубым - до 6...5 В.

Сигнализатор с ярким светодиодом и его источник питания (батарею «Корунд», 6-вольтную 476А и др.) можно установить непосредственно в корпусе телефонного аппарата.

Обсудить эту статью на форуме (0 ответов).
Вся информация, предоставленная на данном ресурсе разрешена к ознакомлению детям школьного возраста. Все практическое использование может быть связана с повышенной электрической опасностью и разрешено детям только под присмотром взрослых.