Тема поиска предметов и животных с помощью радиомаяка, работающего в Си-Би диапазоне, уже освещалась на страницах журнала "Радио". Статьи, опубликованные в 1999 г., были ориентированы на использование в качестве маяков и пеленгаторов стандартных радиостанций (с некоторыми доработками). Мы возвращаемся к этой теме, но теперь речь пойдет о микромаяках, которые можно прикрепить к домашним животным (кошкам, собакам), и несложном пеленгационном приемнике. Необходимость в подобных устройствах очевидна и, наверное, было бы неплохо, если бы кто-либо взялся за освоение их серийного производства. Система поиска в общем случае содержит радиопередатчик (радиомаяк), который размещают на ошейнике домашнего животного, и радиоприемник-пеленгатор. Принцип работы такого устройства понятен: с помощью приемника-пеленгатора постоянно определяют направление поиска и таким образом кратчайшим путем выходят на искомую цель.
Он содержит колебательный контур, образованный элементами L1, С5, С2, С4. Катушка L1 одновременно выполняет роль антенны. Радиомаяк работает в диапазоне Си-Би, а точнее, на частоте, разрешенной для систем радиоуправления моделями и механическими игрушками (27,12 МГц). Питается устройство от батареи аккумуляторов или гальванических элементов с напряжением от 3 В и более. Специального выключателя питания нет, и включение осуществляется установкой вилки ХР1 в гнездо XS1. Большинство деталей радиомаяка размещены на печатной плате (рис. 2) из двустороннего фольгированного стеклотекстолита. На одной стороне установлена микросхема DD1, а на другой — кварцевый резонатор ZQ1 и транзистор VT1.
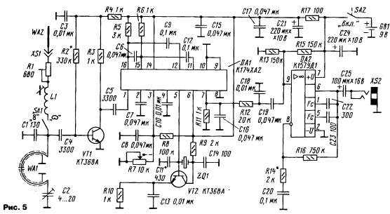
В целях достижения малых габаритов применены элементы для поверхностного монтажа — резисторы Р1-12, конденсаторы К10-17 и транзистор КТ3129Б9. В местах, показанных изогнутыми стрелками, обе стороны платы соединены друг с другом. К плате с помощью коротких проводов припаяно гнездо XS1. После проверки работоспособности и настройки плату покрывают эпоксидным клеем. Батарея GB1 выполнена в виде отдельного модуля и соединена с платой короткими проводами (лучше это сделать через малогабаритный разъем). Радиомаяк должен подавать сигналы с частотой несколько герц, проверить это можно радиостанцией Си-Би диапазона, работающей в режиме SSB. Приемник-пеленгатор может быть различной конструкции. Один из вариантов — использовать в качестве пеленгатора радиостанцию, имеющую режим SSB, со специально изготовленной антенной. Лучше же изготовить специальный приемник-пеленгатор. Приемник (рис. 5) построен по схеме прямого преобразования. Он содержит две антенны: рамочную WA1 и штыревую WA2. На транзисторе VT1 собран УВЧ, а на VT2 — гетеродин с кварцевой стабилизацией частоты. Микросхема DA1 выполняет функции УВЧ с регулируемым коэффициентом передачи, смесителя и предварительного УЗЧ. DA2 — оконечный УЗЧ, который рассчитан для работы на головные телефоны сопротивлением 50... 100 Ом. Резистором R7 регулируют чувствительность приемника (диапазон регулировки — более 30 дБ). Максимальная чувствительность приемника со входа транзистора VT1 составляет около 0,3 мкВ. Большинство деталей приемника размещены на печатной плате (рис. 6) из двустороннего фольги-рованного стеклотекстолита. Вторая сторона оставлена металлизированной (она используется в качестве экрана) и соединена в нескольких местах по краям платы с общим проводом первой стороны. На рис. 7 — фотография приемника. Резистор R7 — СПЗ с выключателем питания, остальные — МЛТ, С2-33. Подстроечный конденсатор С2 — КТ4-25, КТ4-35, оксидные — серий К50, К52, К53, остальные — К10-17, КД. Кварцевый резонатор ZQ1 — на ту же частоту, что и в радиомаяке. Батарея питания GB1 — "Крона", "Корунд", "Ника", 7Д-0,125. Конструкция антенной системы аналогична рекомендуемой, только штыревая антенна сделана съемной. Там же приведено подробное описание ее настройки. Налаживание приемника начинают с установки режима транзистора VT1 по постоянному току.
Для этого подбором резистора R2 устанавливают постоянное напряжение на коллекторе в пределах 3...4 В. Затем подбором конденсатора С11, а при необходимости и С14, устанавливают частоту кварцевого генератора. Делать это лучше всего на слух: включив радиомаяк, удаленный на расстояние нескольких метров, добиваются такого состояния, когда частота тонального сигнала радиомаяка будет равна примерно 1 кГц. Затем настраивают антенную систему. Если при этом подстроечный конденсатор С2 окажется в положении максимальной емкости, то параллельно ему надо установить конденсатор постоянной емкости 20 пФ и повторить настройку. Испытания макета устройства проводились автором в заброшенном плодовом саду. Дальность обнаружения сигнала радиомаяка (он располагался на уровне земли) составила 300...400 м. При слабом сигнале (на уровне шумов) пеленгование удобнее проводить по максимуму слышимости, а при сильном — по минимуму. |
Радиопоиск домашних животных
Doc
Просмотров: 12184
Есть проблема, которую нужно решить в первую очередь: снабдить вашу собачку или любимую кошечку радиомаяком. Как правило, подобный "объект" обычно имеет небольшие размеры, поэтому и радиомаяк должен быть маленьким. Вариантов его конструкции много, но один из самых удобных — ошейник. Причем в этом случае антенна может быть рамочной. Она, возможно, в данном применении не очень эффективна, но зато простая. Схема радиомаяка показана на рис. 1. Он состоит из генератора ВЧ с кварцевой стабилизацией частоты на транзисторе VT1 и НЧ генератора-модулятора на микросхеме DD1. На элементах DD1.1 и DD1.2 собран генератор прямоугольных импульсов с частотой следования несколько герц, а на элементе DD1.3 — буферный каскад, который периодически открывает и закрывает транзистор. Когда транзистор открыт, начинает работать генератор ВЧ. 

Конструкция радиомаяка показана на рис. 3,а внешний вид — на рис. 4. На самом ошейнике 1 (кожа, ткань) закрепляют плату 2, а батарею, гнездо и вилку крепят таким образом, чтобы при одевании и фиксации ошейника с помощью застежки 3 вилка вставлялась в гнездо и маяк включался. Катушка L1 (поз. 4) выполнена в виде провода диаметром 0,2...0,3 мм в изоляции, закрепленного на ошейнике. При снятии ошейника гнездо и вилка разъединяются и радиомаяк перестает работать. Длина провода катушки L1 определяется длиной ошейника. Налаживают радиомаяк в следующей последовательности. Входы элемента DD1.1 временно соединяют с минусовым выводом источника питания, а параллельно кварцевому резонатору ZQ1 устанавливают конденсатор емкостью 4700 пФ, что переводит устройство в режим генерации на частоте LC-контура. Ошейник одевают на объект, и подбором конденсатора С5 (он располагается непосредственно на вилке) добиваются генерации на частоте, возможно, более близкой к частоте кварцевого резонатора. Контроль надо вести с помощью частотомера, подключив к его входу проводник, находящийся рядом с радиомаяком. После этого временные соединения и детали удаляют.

